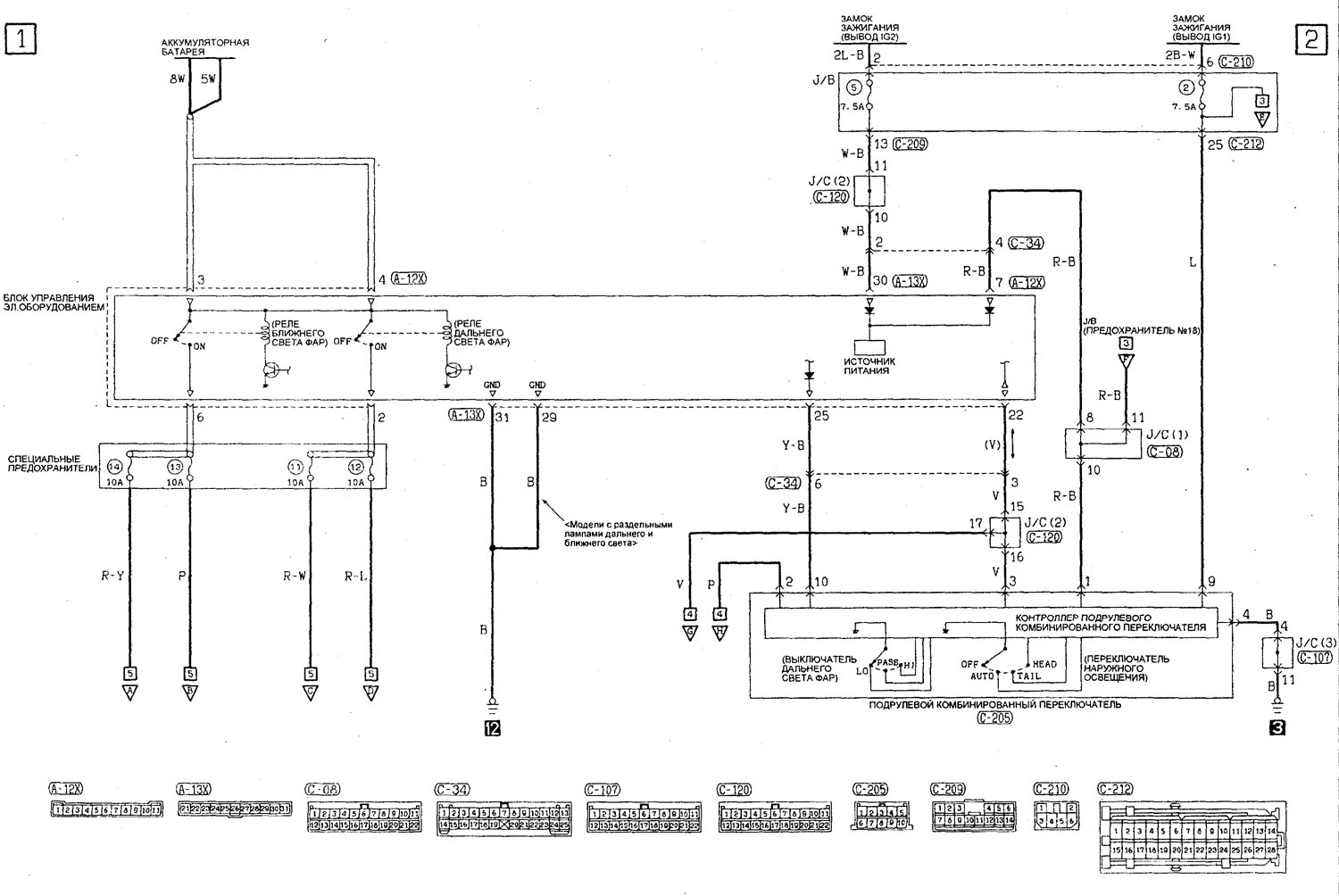
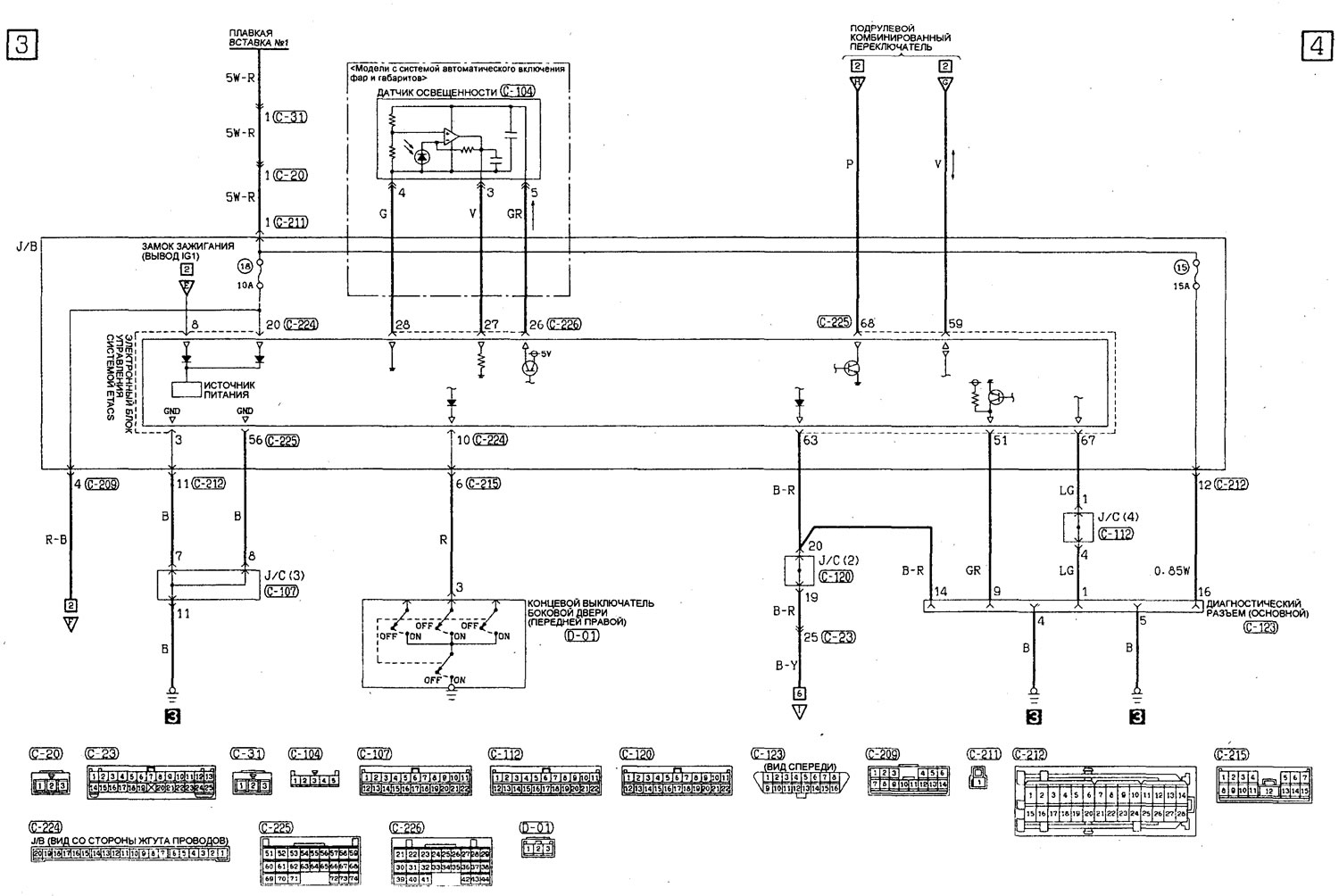
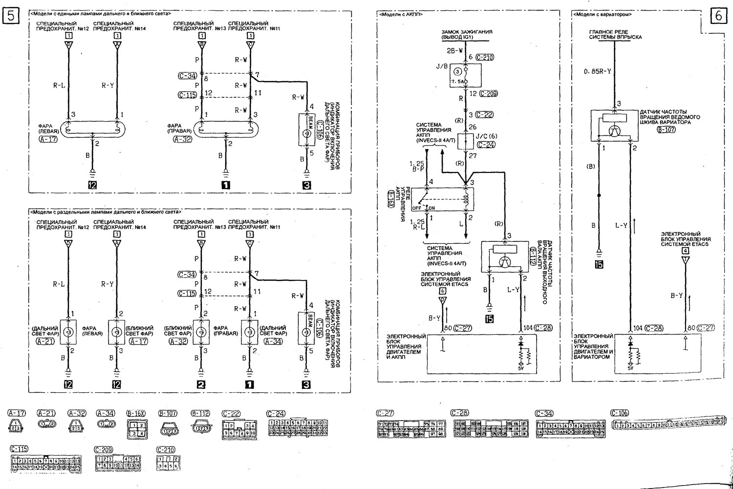
Фары автомобиля (Mitsubishi Lancer 9)
Эта статья доступна на: английском, болгарском, белорусском, украинском, сербском, хорватском, румынском, польском, словацком, венгерском
Данная статья была проверена: Арсений Павлов
Поделитесь с друзьями:
Стоп-сигналы
Звуковой сигнал
Система управления вариатором
Система управления электровентиляторами
Система управления двигателем
Звуковой сигнал
Система управления вариатором
Система управления электровентиляторами
Система управления двигателем
Передние габариты, задние габариты, лампы подсветки номерного знака и зуммер предупреждения о включенном освещении
Зуммер предупреждения о ключе оставленном в замке зажигания
Передние противотуманные фары
Освещение салона, освещение багажного отделения и подсветка замка зажигания
Указатели поворота и аварийная сигнализация
Зуммер предупреждения о ключе оставленном в замке зажигания
Передние противотуманные фары
Освещение салона, освещение багажного отделения и подсветка замка зажигания
Указатели поворота и аварийная сигнализация
Похожие материалы для других моделей Мицубиси
➤ Идентификационные номера автомобиля Мицубиси Кольт 4 и 5 (1991-2003)
➤ Идентификационные номера автомобиля Мицубиси Галант 6 и 7 (1987-1998)
➤ Общее описание автомобиля Мицубиси L200 4 (2005-2014, дизель)
➤ Внешний вид автомобиля Мицубиси Аутлендер 1 (2003-2008)
➤ Внутренняя отделка автомобиля Мицубиси Паджеро 1 и 2 (1982-1999)
➤ Ключи от автомобиля Мицубиси Каризма (1995-2004)
Ссылка в разных форматах на эту статью
Комментарии и отзывы посетителей
Комментариев пока нет
- Общая информация
- Руководство по эксплуатации
- Техническое обслуживание
- Силовой агрегат
- Ремонт двигателей MPI
- Ремонт двигателей GDI
- Капремонт двигателей
- Система охлаждения и смазки
- Система впрыска топлива MPI
- Система впрыска топлива GDI
- Система впуска и выпуска
- Система пуска и заряда
- Трансмиссия
- Автоматическая коробка
- Вариатор (CVT)
- Приводные валы и редуктор
- Шасси и ходовая часть
- Передняя подвеска
- Задняя подвеска
- Рулевое управление
- Тормозная система
- Кузов и салон
- Двери, замки и окна
- Экстерьер (наружные элементы)
- Интерьер (внутренние элементы)
- Электрооборудование
- Отопитель и кондиционер
- Система безопасности SRS
- Оборудование и приборы
- Электрические схемы (седан)
- Электрические схемы (универсал)
- Общая информация
- Техническое обслуживание
- Силовой агрегат
- Ремонт двигателя
- Система смазки
- Система охлаждения
- Система зажигания
- Топливная система
- Карбюратор
- Впрыск топлива
- Система питания дизеля
- Выхлопная система
- Трансмиссия
- Сцепление
- Коробка передач
- Шасси и ходовая часть
- Передняя подвеска
- Задняя подвеска
- Рулевое управление
- Тормозная система
- Колеса и шины
- Кузов и салон
- Экстерьер (наружные элементы)
- Интерьер (внутренние элементы)
- Система отопления
- Электрооборудование
- Оборудование и приборы
- Силовые устройства
- Электрические схемы
Автомобильный анекдот:
показать следующий



