Система управления двигателем (часть 1)

Открыть большую картинку в новой вкладке »
Система управления двигателем (часть 2)

Открыть большую картинку в новой вкладке »
Система управления двигателем (часть 3)

Открыть большую картинку в новой вкладке »
Система управления двигателем (часть 4)

Открыть большую картинку в новой вкладке »
Система управления двигателем (часть 5)

Открыть большую картинку в новой вкладке »
Система управления двигателем (часть 6)

Открыть большую картинку в новой вкладке »
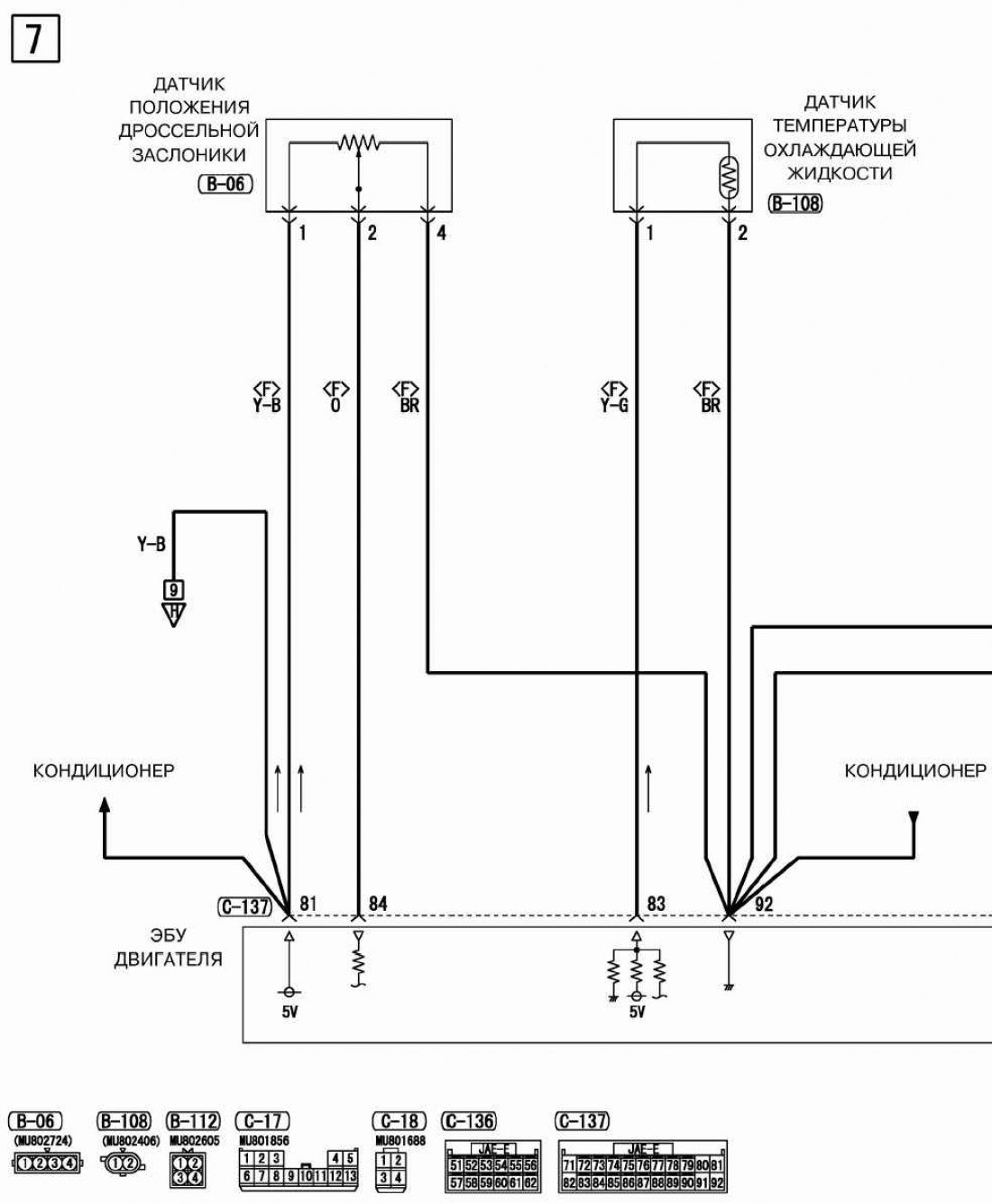
Система управления двигателем (часть 7)

Открыть большую картинку в новой вкладке »
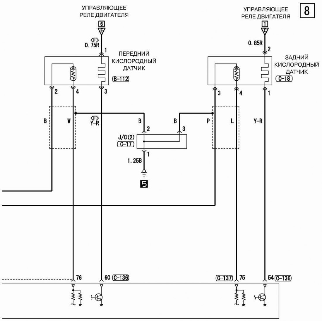
Система управления двигателем (часть 8)

Открыть большую картинку в новой вкладке »
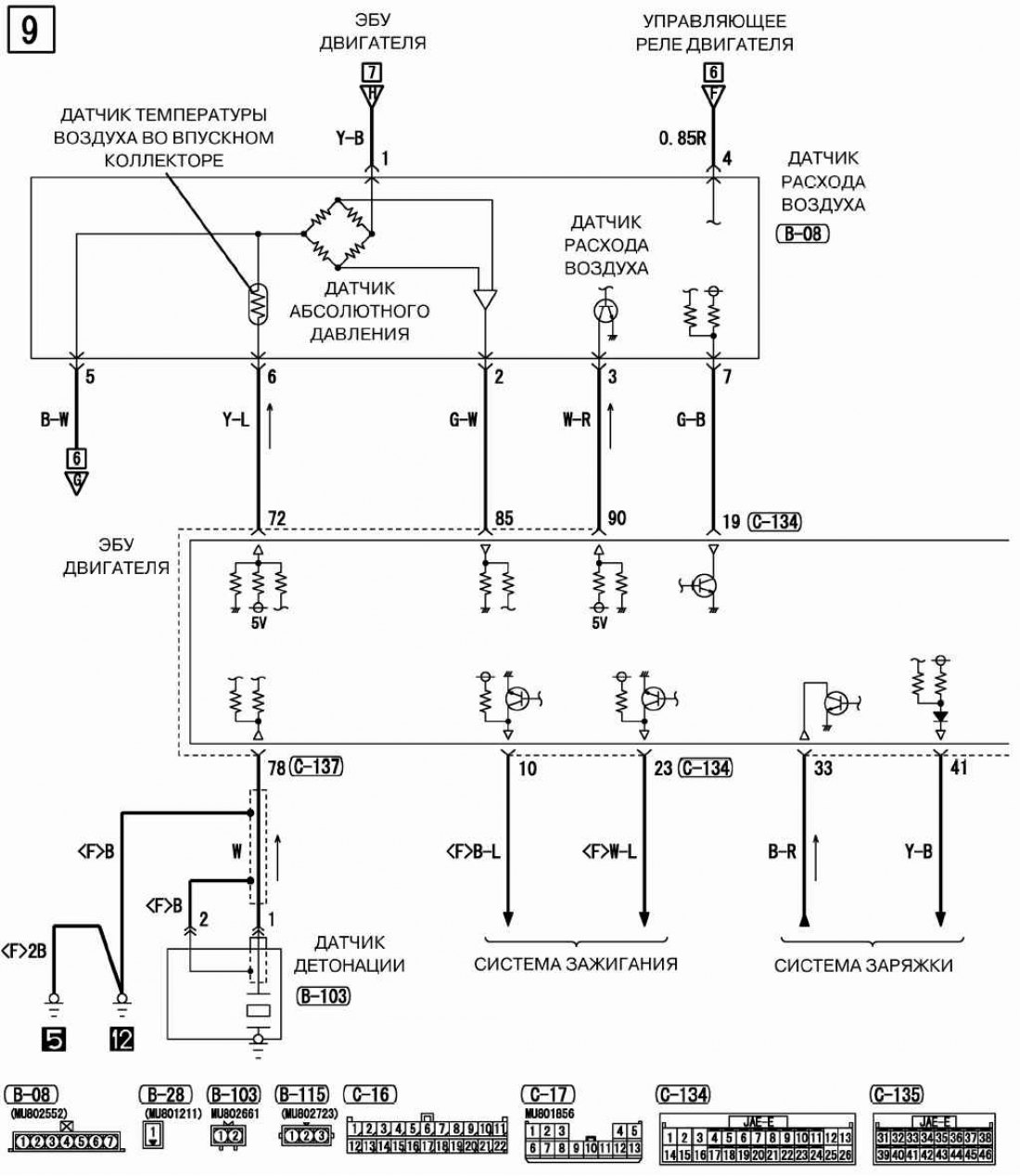
Система управления двигателем (часть 9)

Открыть большую картинку в новой вкладке »
Система управления двигателем (часть 10)
[Статья перепечатана с веб-сайта MitsubishiMan.ru]

Открыть большую картинку в новой вкладке »
Расположение проводных жгутов, маркировка проводов и разъемов смотрите здесь →
