Русский English
Български
Беларускі
Український
Српски
Hrvatski
Română
Polski
Slovenský
Magyar
Статьи В закладки Контакты Карта Поиск:  
Компания Audi Компания Ford Компания Hyundai Компания Kia Компания Mazda Компания Mercedes-Benz Компания Nissan
MitsubishiMan.ru
 
 
 
 
 
 
 
Главная Colt Lancer Galant L200 Outlander Pajero Остальные
Галант 6 и 7 (1987-1998) Галант 5 (1983-1989, бензин)

Стеклоподъемники (Mirage 1993-1996 г.) (Mitsubishi Galant 6)

  • Главная
  • Галант
  • 6 (1987-1998)
  • Электрооборудование
  • Электрические схемы Mirage
  • Стеклоподъемники (Mirage 1993-1996 г.)
0

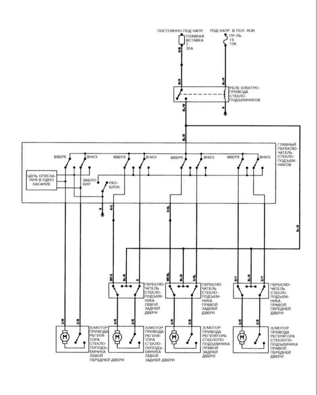
Стеклоподъемники, модели Mirage 1993-1996 г.



Открыть большую картинку в новой вкладке »
Открыть большую картинку в новой вкладке »

Обозначения элементов на схемах и цветов электропроводки смотрите здесь →
Эта статья доступна на: английском, болгарском, белорусском, украинском, сербском, хорватском, румынском, польском, словацком, венгерском
Данная статья была проверена: Дмитрий Васильев
Поделитесь с друзьями:
◀ Предыдущие
Галант 6 и 7: Электрические схемы Mirage
Следующие ▶

Стоп-сигналы, фонари заднего хода, клаксон (Mirage 1993-1996 г.)
Указатели поворотов (Mirage 1993-1996 г.)
Задние фонари (Mirage 1993-1996 г.)
Электросхема фар (Mirage 1993-1996 г.)
Электрооборудование системы охлаждения (Mirage 1.8 л 1994-1996 г.)
Стеклоочистители / омыватели (Mirage 1993-1996 г.)
Единый замок (Mirage 1993-1996 г.)
Электросхема стартера (Mirage 1997-2000 г.)
Электросхема генератора (Mirage 1997-2000 г.)
Электрооборудование системы охлаждения (Mirage 1997-2000 г.)
Похожие материалы для других моделей Мицубиси

➤ Электрические стеклоподъемники — описание и проверка Мицубиси Кольт 2 и 3 (1983-1993)
➤ Стеклоподъемники автомобиля Мицубиси Лансер 9 (2000-2007, бензин)
➤ Стеклоподъемники механические и электрические Мицубиси L200 4 (2005-2014, дизель)
➤ Система управления 12-клапанным двигателем 3,0 л (1992-1993… Мицубиси Паджеро 1 и 2 (1982-1999)
➤ Электрические стеклоподъемники Мицубиси Каризма (1995-2004)
Ссылка в разных форматах на эту статью
TEXTHTMLBB Code
Комментарии и отзывы посетителей
Комментариев пока нет


Сложите два числа 49 + 19

       





Галант 6 и 7 (1987-1998) 
  • Общая информация
  • Введение в руководство
  • Руководство по эксплуатации
  • Вождение и эксплуатация
  • Техническое обслуживание
  • Силовой агрегат
  • Демонтаж двигателя
  • Капремонт двигателя
  • Охлаждение и отопление
  • Системы питания и выпуска
  • Электрооборудование двигателя
  • Системы управления двигателем
  • Трансмиссия
  • Механическая коробка
  • Автоматическая коробка
  • Сцепление
  • Приводные валы и раздатка
  • Шасси и ходовая часть
  • Тормозная система
  • Подвеска автомобиля
  • Рулевое управление
  • Кузов и салон
  • Экстерьер (наружные элементы)
  • Интерьер (внутренние элементы)
  • Двери, замки и окна
  • Электрооборудование
  • Оборудование и приборы
  • Электрические схемы Galant
  • Электрические схемы Mirage
  • Электрические схемы Diamante
Галант 5 (1983-1989, бензин) 
  • Общая информация
  • Диагностика неисправностей
  • Техническое обслуживание
  • Силовой агрегат
  • Ремонт двигателя
  • Капремонт двигателей
  • Охлаждение и отопление
  • Система питания и выхлопа
  • Электрооборудование двигателя
  • Снижение токсичности выхлопа
  • Трансмиссия
  • Механическая коробка
  • Автоматическая коробка
  • Сцепление и приводные валы
  • Шасси и ходовая часть
  • Тормозная система
  • Подвеска автомобиля
  • Рулевое управление
  • Кузов и салон
  • Экстерьер (наружные элементы)
  • Интерьер (внутренние элементы)
  • Двери, замки и окна
  • Электрооборудование
  • Оборудование и приборы
  • Электрические схемы
   Автомобильный анекдот:
показать следующий
MitsubishiMan.ru © 2018–2025 • Мобильная версия • Статьи о Мицубиси • Контакты • Карта сайта: EN BG BY UA RS HR RO PL SK HU • Поиск по сайту • В закладки
Кольт 2 и 3 (1983-1993) · Кольт 4 и 5 (1991-2003) · Кольт 5 (1995-2003) · Лансер 3 и 5 (1984-1992) · Лансер 9 (2000-2007) · Галант 5 (1983-1989) · Галант 6 и 7 (1987-1998) · L200 4 (2005-2014) · Аутлендер 1 (2003-2008) · Паджеро 1 и 2 (1982-1999) · Паджеро 4 (2006-2021) · Каризма (1995-2004) · Спейс Стар (1998-2005) · Новости об автомобилях · Справочник автомеханика · Дизельные двигатели · Генераторы иномарок · Пассивная безопасность авто