Русский English
Български
Беларускі
Український
Српски
Hrvatski
Română
Polski
Slovenský
Magyar
Статьи В закладки Контакты Карта Поиск:  
Компания Audi Компания Ford Компания Hyundai Компания Kia Компания Mazda Компания Mercedes-Benz Компания Nissan
MitsubishiMan.ru
 
 
 
 
 
 
 
Главная Colt Lancer Galant L200 Outlander Pajero Остальные
Лансер 9 (2000-2007, бензин) Лансер 3 и 5 (1984-1992)

Система электропитания (Mitsubishi Lancer 9)

  • Главная
  • Лансер
  • 9 (2000-2007, бензин)
  • Электрооборудование
  • Электрические схемы (седан)
  • Система электропитания
0

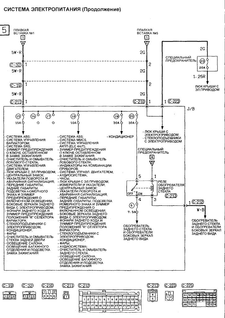
Система электропитания




Открыть большую картинку в новой вкладке »



Открыть большую картинку в новой вкладке »


Эта статья доступна на: английском, болгарском, белорусском, украинском, сербском, хорватском, румынском, польском, словацком, венгерском
Данная статья была проверена: Арсений Павлов
Поделитесь с друзьями:
◀ Предыдущие
Лансер 9: Электрические схемы (седан)
Следующие ▶

Монтажные блоки
Пояснения к схемам электрооборудования
Система запуска двигателя
Система зажигания
Система зарядки
Система управления двигателем
Звуковой сигнал
Похожие материалы для других моделей Мицубиси

➤ Система регулирования момента зажигания Мицубиси Кольт 4 и 5 (1991-2003)
➤ Противоугонная система Мицубиси Галант 6 и 7 (1987-1998)
➤ Электронный иммобилайзер (противоугонная система,… Мицубиси L200 4 (2005-2014, дизель)
➤ Электронный иммобилайзер (система блокировки запуска… Мицубиси Аутлендер 1 (2003-2008)
➤ Электронная система дверных замков Мицубиси Паджеро 1 и 2 (1982-1999)
➤ Противобуксовочная система (TCL) Мицубиси Каризма (1995-2004)
Ссылка в разных форматах на эту статью
TEXTHTMLBB Code
Комментарии и отзывы посетителей
Комментариев пока нет


Сложите два числа 39 + 13

       





Лансер 9 (2000-2007, бензин) 
  • Общая информация
  • Руководство по эксплуатации
  • Техническое обслуживание
  • Силовой агрегат
  • Ремонт двигателей MPI
  • Ремонт двигателей GDI
  • Капремонт двигателей
  • Система охлаждения и смазки
  • Система впрыска топлива MPI
  • Система впрыска топлива GDI
  • Система впуска и выпуска
  • Система пуска и заряда
  • Трансмиссия
  • Автоматическая коробка
  • Вариатор (CVT)
  • Приводные валы и редуктор
  • Шасси и ходовая часть
  • Передняя подвеска
  • Задняя подвеска
  • Рулевое управление
  • Тормозная система
  • Кузов и салон
  • Двери, замки и окна
  • Экстерьер (наружные элементы)
  • Интерьер (внутренние элементы)
  • Электрооборудование
  • Отопитель и кондиционер
  • Система безопасности SRS
  • Оборудование и приборы
  • Электрические схемы (седан)
  • Электрические схемы (универсал)
Лансер 3 и 5 (1984-1992) 
  • Общая информация
  • Техническое обслуживание
  • Силовой агрегат
  • Ремонт двигателя
  • Система смазки
  • Система охлаждения
  • Система зажигания
  • Топливная система
  • Карбюратор
  • Впрыск топлива
  • Система питания дизеля
  • Выхлопная система
  • Трансмиссия
  • Сцепление
  • Коробка передач
  • Шасси и ходовая часть
  • Передняя подвеска
  • Задняя подвеска
  • Рулевое управление
  • Тормозная система
  • Колеса и шины
  • Кузов и салон
  • Экстерьер (наружные элементы)
  • Интерьер (внутренние элементы)
  • Система отопления
  • Электрооборудование
  • Оборудование и приборы
  • Силовые устройства
  • Электрические схемы
   Автомобильный анекдот:
показать следующий
MitsubishiMan.ru © 2018–2025 • Мобильная версия • Статьи о Мицубиси • Контакты • Карта сайта: EN BG BY UA RS HR RO PL SK HU • Поиск по сайту • В закладки
Кольт 2 и 3 (1983-1993) · Кольт 4 и 5 (1991-2003) · Кольт 5 (1995-2003) · Лансер 3 и 5 (1984-1992) · Лансер 9 (2000-2007) · Галант 5 (1983-1989) · Галант 6 и 7 (1987-1998) · L200 4 (2005-2014) · Аутлендер 1 (2003-2008) · Паджеро 1 и 2 (1982-1999) · Паджеро 4 (2006-2021) · Каризма (1995-2004) · Спейс Стар (1998-2005) · Новости об автомобилях · Справочник автомеханика · Дизельные двигатели · Генераторы иномарок · Пассивная безопасность авто