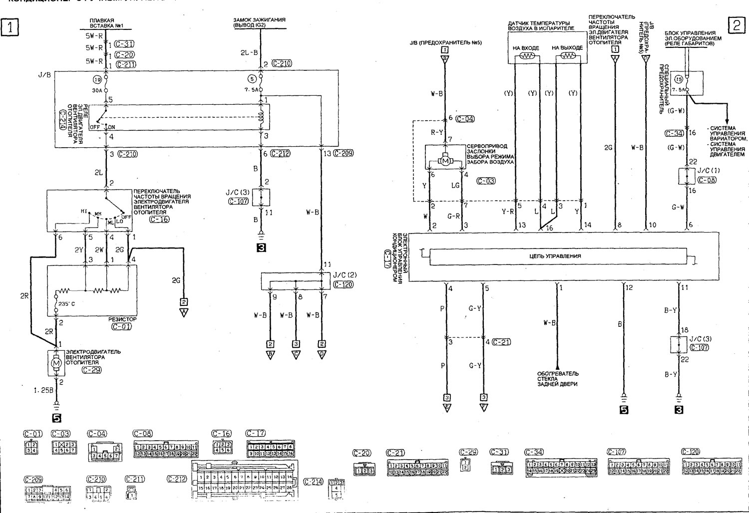
Кондиционер с ручным управлением (Mitsubishi Lancer 9)
Эта статья доступна на: английском, болгарском, белорусском, украинском, сербском, хорватском, румынском, польском, словацком, венгерском
Данная статья была проверена: Арсений Павлов
Поделитесь с друзьями:
Похожие материалы для других моделей Мицубиси
➤ Схема 6. Отопитель, кондиционер, панель приборов Мицубиси Кольт 4 и 5 (1991-2003)
➤ Снятие и установка рулевого механизма с ручным приводом Мицубиси Галант 6 и 7 (1987-1998)
➤ Кондиционер с ручным управлением Мицубиси L200 4 (2005-2014, дизель)
➤ Кондиционер с ручным управлением Мицубиси Аутлендер 1 (2003-2008)
➤ Отопитель и кондиционер Мицубиси Паджеро 1 и 2 (1982-1999)
➤ Кондиционер с автоматическим управлением Мицубиси Каризма (1995-2004)
Ссылка в разных форматах на эту статью
Комментарии и отзывы посетителей
Комментариев пока нет
- Общая информация
- Руководство по эксплуатации
- Техническое обслуживание
- Силовой агрегат
- Ремонт двигателей MPI
- Ремонт двигателей GDI
- Капремонт двигателей
- Система охлаждения и смазки
- Система впрыска топлива MPI
- Система впрыска топлива GDI
- Система впуска и выпуска
- Система пуска и заряда
- Трансмиссия
- Автоматическая коробка
- Вариатор (CVT)
- Приводные валы и редуктор
- Шасси и ходовая часть
- Передняя подвеска
- Задняя подвеска
- Рулевое управление
- Тормозная система
- Кузов и салон
- Двери, замки и окна
- Экстерьер (наружные элементы)
- Интерьер (внутренние элементы)
- Электрооборудование
- Отопитель и кондиционер
- Система безопасности SRS
- Оборудование и приборы
- Электрические схемы (седан)
- Электрические схемы (универсал)
- Общая информация
- Техническое обслуживание
- Силовой агрегат
- Ремонт двигателя
- Система смазки
- Система охлаждения
- Система зажигания
- Топливная система
- Карбюратор
- Впрыск топлива
- Система питания дизеля
- Выхлопная система
- Трансмиссия
- Сцепление
- Коробка передач
- Шасси и ходовая часть
- Передняя подвеска
- Задняя подвеска
- Рулевое управление
- Тормозная система
- Колеса и шины
- Кузов и салон
- Экстерьер (наружные элементы)
- Интерьер (внутренние элементы)
- Система отопления
- Электрооборудование
- Оборудование и приборы
- Силовые устройства
- Электрические схемы
Автомобильный анекдот:
показать следующий


