Русский English
Български
Беларускі
Український
Српски
Hrvatski
Română
Polski
Slovenský
Magyar
Статьи В закладки Контакты Карта   
Компания Audi Компания Ford Компания Hyundai Компания Kia Компания Mazda Компания Mercedes-Benz Компания Nissan
MitsubishiMan.ru
 
 
 
 
 
 
 
Главная Colt Lancer Galant L200 Outlander Pajero Остальные
Паджеро 4 (2006-2021) Паджеро 1 и 2 (1982-1999)

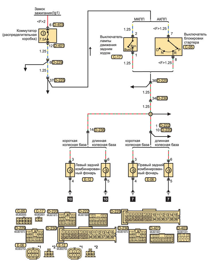
Электросхема ламп освещения движения задним ходом (Mitsubishi Pajero 4)

  • Главная
  • Паджеро
  • 4 (2006-2021)
  • Электрооборудование
  • Электрические схемы
  • Электросхема ламп освещения движения задним ходом
0

Электросхема ламп освещения движения задним ходом





Оригинал материала на веб-сайте mitsubishiman.ru
Эта статья доступна на: английском, болгарском, белорусском, украинском, сербском, хорватском, румынском, польском, словацком, венгерском
Данная статья была проверена: Мирослав Раков
Поделитесь с друзьями:
◀ Предыдущие
Паджеро 4: Электрические схемы
Следующие ▶

Электрическая схема системы подогрева сидений
Электрическая схема системы пассивной безопасности
Электросхема обогревателя заднего стекла
Электрическая схема подогревателя топливной магистрали
Расшифровки к электросхемам
Электросхема заднего стеклоочистителя и омывателя
Электросхема задних противотуманных фар
Электросхема прикуривателя
Электросхема системы освещения перчаточного ящика
Электросхема системы зажигания
Похожие материалы для других моделей Мицубиси

➤ Проверка ламп Мицубиси Кольт 4 и 5 (1991-2003)
➤ Замена ламп наружного освещения Мицубиси Лансер 3 и 5 (1984-1992)
➤ Типовая электросхема включения задних фар, стояночных огней… Мицубиси Галант 5 (1983-1989, бензин)
➤ Схема ламп заднего хода Мицубиси L200 4 (2005-2014, дизель)
➤ Комбинированный переключатель освещения, света фар и… Мицубиси Аутлендер 1 (2003-2008)
➤ Переключатель освещения, света фар и указателей поворота Мицубиси Каризма (1995-2004)
Ссылка в разных форматах на эту статью
Комментарии и отзывы посетителей
Комментариев пока нет


Сложите два числа 10 + 29

       





Паджеро 4 (2006-2021) 
  • Общая информация
  • Руководство по эксплуатации
  • Выявление неисправностей
  • Техническое обслуживание
  • Технические характеристики
  • Силовой агрегат
  • Ремонт двигателя
  • Система охлаждения
  • Система смазки
  • Топливная система
  • Система управления двигателем
  • Система впуска и выпуска
  • Электрооборудование двигателя
  • Трансмиссия
  • Сцепление
  • Механическая коробка
  • Автоматическая коробка
  • Приводные валы
  • Шасси и ходовая часть
  • Передняя подвеска
  • Задняя подвеска
  • Тормозная система
  • Рулевое управление
  • Кузов и салон
  • Экстерьер (наружные элементы)
  • Интерьер (внутренние элементы)
  • Двери, замки и окна
  • Кузовные размеры
  • Электрооборудование
  • Система безопасности SRS
  • Кондиционер воздуха
  • Оборудование и приборы
  • Электрические схемы
Паджеро 1 и 2 (1982-1999) 
  • Общая информация
  • Руководство по эксплуатации
  • Сиденья и ремни безопасности
  • Приборы и органы управления
  • Вождение и эксплуатация
  • Техническое обслуживание
  • Силовой агрегат
  • Бензиновые двигатели
  • Дизельные двигатели
  • Система зажигания
  • Электрооборудование двигателя
  • Система охлаждения и смазки
  • Система питания и выхлопа
  • Топливная система (бензин)
  • Топливная система (дизель)
  • Трансмиссия
  • Сцепление
  • Механическая коробка
  • Автоматическая коробка
  • Приводные валы и мосты
  • Шасси и ходовая часть
  • Передняя подвеска
  • Задняя подвеска
  • Рулевое управление
  • Тормозная система
  • Кузов и салон
  • Экстерьер (наружные элементы)
  • Интерьер (внутренние элементы)
  • Двери, замки и окна
  • Электрооборудование
  • Оборудование и приборы
  • Отопитель и кондиционер
  • Круиз-контроль
  • Фары и освещение
  • Электрические схемы
   Автомобильный анекдот:
показать следующий
MitsubishiMan.ru © 2018–2026 • Мобильная версия • Статьи о Мицубиси • Контакты • Карта сайта: EN BG BY UA RS HR RO PL SK HU • Поиск по сайту • В закладки
Кольт 2 и 3 (1983-1993) · Кольт 4 и 5 (1991-2003) · Кольт 5 (1995-2003) · Лансер 3 и 5 (1984-1992) · Лансер 9 (2000-2007) · Галант 5 (1983-1989) · Галант 6 и 7 (1987-1998) · L200 4 (2005-2014) · Аутлендер 1 (2003-2008) · Паджеро 1 и 2 (1982-1999) · Паджеро 4 (2006-2021) · Каризма (1995-2004) · Спейс Стар (1998-2005) · Новости об автомобилях · Справочник автомеханика · Дизельные двигатели · Генераторы иномарок · Пассивная безопасность авто
Этот ресурс ставит cookie-файлы 🍪, чтобы не мучить вас повторным вводом данных.