
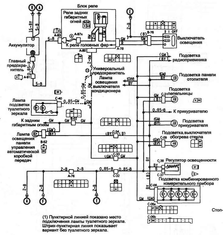
Цветовая маркировка проводов
| B | Черный | Вr | Коричневый | G | Зеленый |
| Gr | Серый | L | Голубой | Lg | Светло-зеленый |
| Ll | Светло-голубой | О | Оранжевый | Р | Розовый |
| R | Красный | Y | Желтый | W | Белый |

| B | Черный | Вr | Коричневый | G | Зеленый |
| Gr | Серый | L | Голубой | Lg | Светло-зеленый |
| Ll | Светло-голубой | О | Оранжевый | Р | Розовый |
| R | Красный | Y | Желтый | W | Белый |