Оглавление: Снятие ⤓ Проверка перед установкой ⤓ Разборка ⤓ Проверка перед сборкой ⤓ Сборка насоса ⤓ Установка ⤓
Снятие
− Перед началом снятия деталей слейте рабочую жидкость из гидросистемы усилителя рулевого управления.
− Снятие деталей производится в порядке номеров, указанном на рисунке "Насос гидроусилителя".
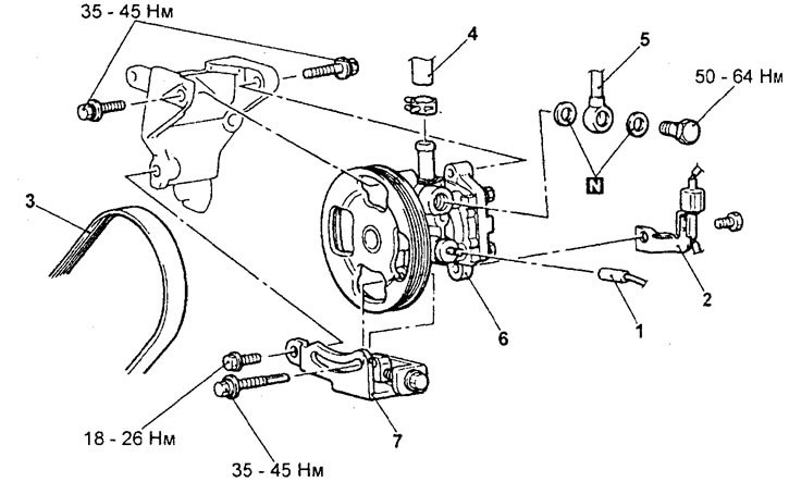
Насос гидроусилителя (модели с двигателями 4G15). 1 - разъём датчика выключателя по давлению жидкости в гидросистеме усилителя, 2 - крон штейн жгута проводов компрессора кондиционера, 3 - приводной ремень 4 - впускной шланг, 5 - нагнетательный шланг, 6 - насос гидроусилителя 7 - кронштейн насоса гидроусилителя.
Насос гидроусилителя (модели с двигателями 4G93). 1 - разъём датчика-выключателя по давлению жидкости в гидросистеме усилителя, 2 - кронштейн жгута проводов компрессора кондиционера, 3 - приводной ремень, 4 - впускной шланг, 5 - нагнетательный шланг, 6 - насос гидроусилителя, 7 - пластина кронштейна, 8 - кронштейн насоса гидроусилителя.
− При снятии деталей обратите внимание на операцию по снятию насоса гидроусилителя рулевого управления в сборе.
Снимите болт крепления компрессора кондиционера и отсоедините компрессор кондиционера, после чего снимите насос в сборе.
Внимание: при выполнении данной операции не отсоединяйте от компрессора кондиционера трубопроводы системы кондиционирования.
Проверка перед установкой
1. Проверьте приводной ремень на отсутствие трещин.
2. Проверьте отсутствие дисбаланса при вращении шкива в сборе.
Разборка
− Снятие деталей производится в порядке номеров, указанном на рисунке "Разборка насоса гидроусилителя".
Разборка насоса гидроусилителя (модели с двигателями 4G 15). 1 - крышка насоса, 2 - кольцевая прокладка, 3 - стопорное кольцо, 4 - шкив и вал привода насоса, 5 - лопасть, 6 - кулачковая шайба, 7 - ротор, 8 - стопорный палец, 9 - боковая пластина, 10 - кольцевые прокладки, 11 - сальник, 12 - датчик-выключатель по давлению жидкости в гидросистеме усилителя, 13 - кольцевые прокладки, 14 - пробка, 15 - кольцевая прокладка, 16 - пружина управления расходом, 17 - соединительный патрубок впускного шланга, 18 - кольцевая прокладка.
Внимание: запрещается разбирать датчик-выключатель давления и клапан в сборе, поскольку они являются не разборными.
Примечание: в местах, отмеченных нанесите Mitsubishi ATF-SPII.
Разборка насоса гидроусилителя (модели с двигателями 4G93). 1 - крышка насоса, 2 - кольцевая прокладка, 3 - стопорное кольцо, 4 - шкив и вал привода насоса, 5 - лопасть, 6 - кулачковая шайба, 7 - ротор, 8 - стопорный палец, 9 - боковая пластина, 10 - кольцевые прокладки, 11 - сальник, 12 - датчик-выключатель по давлению жидкости в гидросистеме усилителя, 13 - кольцевые прокладки, 14 - пробка, 15 - кольцевая прокладка, 16 - пружина управления расходом, 17 - соединительный патрубок впускного шланга, 18 - кольцевая прокладка.
Внимание: запрещается разбирать датчик-выключатель давления и клапан в сборе, поскольку они являются не разборными.
Примечание: в местах, отмеченных "*", нанесите Mitsubishi A TF-SPII.
Проверка перед сборкой
1. Проверьте отсутствие засорения клапана регулирования расхода жидкости.
2. Проверьте отсутствие износа или повреждений шкива в сборе.
3. Проверьте отсутствие "ступенчатого" износа лопастей и пазов ротора.
4. Проверьте отсутствие "ступенчатого" износа на поверхности контакта лопастей и кулачковой шайбы.
5. Проверьте отсутствие повреждений на лопастях.
Сборка насоса
− При установке деталей обратите внимание на следующие операции.
1. Установка кольцевых прокладок.
Перед установкой нанесите рекомендуемую жидкость на все кольцевые прокладки, размеры кольцевых прокладок подбираются по приведённой таблице.
| № прокладки на рисунке | Внутренний диаметр х ширина, мм |
| 1 | 15,8 х 2,4 |
| 2 | 21,0 х 1,9 |
| 3 | 14,8 х 2,4 |
| 4 | 3,8 х 1,9 |
| 5 | 14,8 х 1,9 |

2. Установка сальника.
Используя специнструмент, установите сальник, как показано на рисунке.

3. Установка боковой пластины насоса. Установите боковую пластину, расположив её, как показано на рисунке.

6. Установка лопастей.
Установите лопасти в ротор, уделяя особое внимание правильному направлению установки.
Установка
− Установка деталей осуществляется в порядке, обратном снятию.
− После установки деталей выполните следующие операции.
а) Залейте рабочую жидкость в гидросистему усилителя рулевого управления.
б) Отрегулируйте натяжения ремня привода насоса гидроусилителя.
в) Удалите воздух из гидросистемы усилителя рулевого управления.
