Оглавление: Снятие второго ряда сидений ⤓ Установка второго ряда сидений ⤓ Разборка второго ряда сидений ⤓ Сборка второго ряда сидений ⤓
Снятие второго ряда сидений

1. Снять подголовник (1).
2. Снять крышку крепления сиденья (2).
3. Снять задний/второй ряд сидений (3).
4. Снять крышку навеса сиденья (модель с короткой колесной базой) (4).
5. Снять боковую спинку сиденья в сборе (модель с короткой колесной базой) (5).
Установка второго ряда сидений
Примечание. При установке затянуть болты моментами затяжки, указанными на рисунке.
1. Установить боковую спинку сиденья в сборе (модель с короткой колесной базой) (5).
2. Установить крышку навеса сиденья (модель с короткой колесной базой) (4).
3. Установить задний/второй ряд сидений (3).
4. Установить крышку крепления сиденья (2).
5. Установить подголовник (1).
Разборка второго ряда сидений
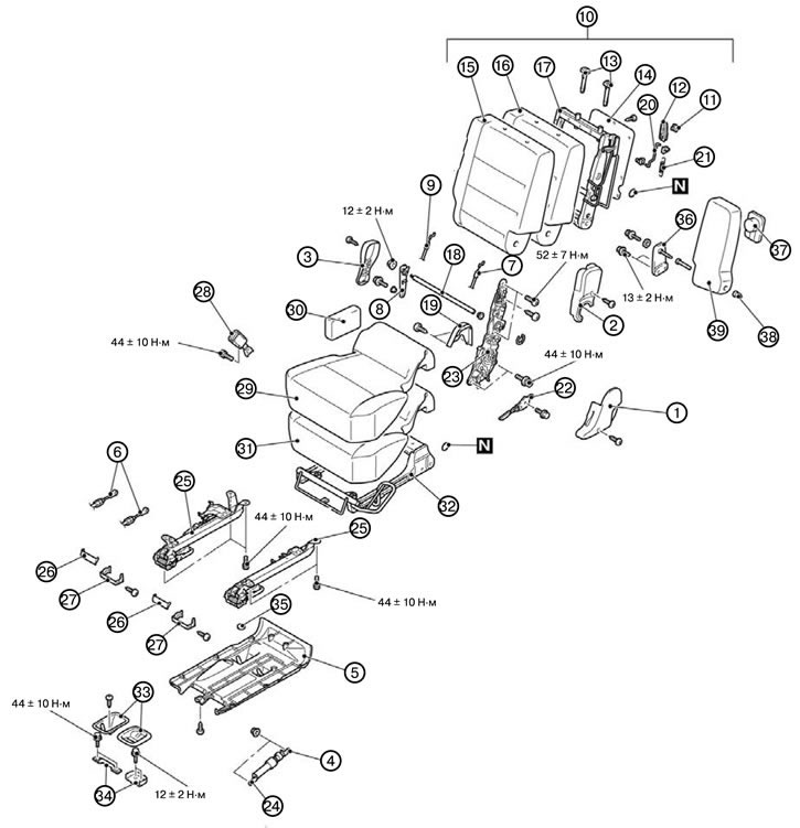
Левое сиденье (модель с короткой колесной базой)

1. Снять нижнюю крышку устройства регулировки наклона спинки сиденья (1).
2. Снять центральную крышку устройства регулировки наклона спинки сиденья (2).
3. Снять крышку навеса (3).
4. Отсоединить соединение газового амортизатора (4).
5. Снять нижнюю крышку подушки заднего сиденья (5).
6. Отсоединить соединение троса захвата А, В (6).
7. Снять трос захвата А (7).
8. Снять шарнирный кронштейн (8).
9. Снять трос захвата В (9).
10. Снять спинку сиденья в сборе (10).
11. Снять кнопку складывания сиденья (11).
12. Снять облицовку кнопки складывания сиденья (12).
13. Снять направляющую подголовника (13).
14. Снять заднюю панель заднего сиденья (14).
15. Снять чехол спинки заднего сиденья (15).
16. Снять подушку спинки заднего сиденья (16).
17. Снять раму спинки заднего сиденья (17).
18. Снять вал (18).
19. Снять заднюю крышку устройства регулировки наклона спинки сиденья (19).
20. Снять тягу (20).
21. Снять пружину (21).
22. Снять рычаг регулировки наклона спинки заднего сиденья (22).
23. Снять устройство регулировки наклона спинки заднего сиденья (23).
24. Снять газовый амортизатор (24).
25. Снять захват заднего сиденья в сборе (25).
26. Снять верхнюю крышку опоры (26).
27. Снять нижнюю крышку опоры (27).
28. Снять захват ремня безопасности заднего сиденья (28).
29. Снять чехол подушки заднего сиденья в сборе (29).
30. Снять опорную подушку (30).
31. Снять подушку заднего сиденья (31).
32. Снять раму подушки заднего сиденья (32).
33. Снять крышку ударника (33).
34. Снять ударник (34).
35. Снять пробку (35).
36. Снять шарнирный кронштейн (36).
37. Снять держатель стаканов (37).
38. Снять втулку (38).
39. Снять боковую спинку заднего сиденья (39).
Правое сиденье (модель с короткой колесной базой)
1. Снять нижнюю крышку устройства регулировки наклона спинки сиденья (1).
2. Снять захват ремня безопасности (2).
3. Снять центральную крышку устройства регулировки наклона спинки сиденья (3).
4. Отсоединить соединение газового амортизатора (4).
5. Снять нижнюю крышку подушки заднего сиденья (5).
6. Отсоединить соединение троса захвата А, В (6).
7. Снять трос захвата А (7).
8. Снять спинку заднего сиденья в сборе (8).
8. Снять кнопку складывания сиденья (9).
10. Снять облицовку кнопки складывания сиденья (10).
11. Снять заднюю панель заднего сиденья (11).
12. Снять направляющую подголовника (12).
13. Снять центральную крышку ремня безопасности заднего сиденья (13).
14. Снять накладку крепления ремня безопасности (14).
15. Снять чехол спинки заднего сиденья (15).
16. Снять подушку спинки заднего сиденья (16).
17. Снять раму спинки заднего сиденья (17).
18. Снять защиту ремня безопасности заднего сиденья (18).
19. Отсоединить соединение центрального ремня безопасности (19).
20. Снять вал (20).
21. Снять заднюю крышку устройства регулировки наклона спинки сиденья (21).
22. Снять тягу (22).
23. Снять пружину (23).
24. Снять рычаг регулировки наклона спинки заднего сиденья (24).
25. Снять устройство регулировки наклона спинки заднего сиденья (25).
26. Снять газовый амортизатор (26).
27. Снять захват заднего сиденья в сборе (27).
28. Снять верхнюю крышку опоры (28).
29. Снять нижнюю крышку опоры (29).
30. Снять захват ремня безопасности (30).
31. Снять центральный ремень безопасности (31).
32. Снять чехол подушки заднего сиденья (32).
33. Снять подушку заднего сиденья (33).
34. Снять раму подушки заднего сиденья (34).
35. Снять крышку ударника (35).
36. Снять ударник (36).
37. Снять пробку (37).
38. Снять шарнирный кронштейн (38).
39. Снять держатель стаканов (39).
40. Снять втулку (40).
41. Снять боковую спинку заднего сиденья (41).
Левое сиденье (модель с длинной колесной базой)

1. Снять нижнюю крышку устройства регулировки наклона спинки сиденья (1).
2. Снять центральную крышку устройства регулировки наклона спинки сиденья (2).
3. Снять крышку навеса (3).
4. Отсоединить соединение газового амортизатора (4).
5. Снять нижнюю крышку заднего сиденья (5).
6. Отсоединить соединение троса наклона спинки сиденья (6).
7. Отсоединить соединение троса захвата А, В (7).
8. Снять трос захвата А (8).
9. Снять шарнирный кронштейн (9).
10. Снять трос захвата В (10).
11. Снять спинку заднего сиденья в сборе (11).
12. Снять кнопку складывания сиденья (12).
13. Снять облицовку кнопки складывания сиденья (13).
14. Снять боковую спинку заднего сиденья (14).
15. Снять направляющую подголовника (15).
16. Снять заднюю панель заднего сиденья (16).
17. Снять чехол спинки заднего сиденья (17).
18. Снять подушку спинки заднего сиденья (18).
19. Снять раму спинки заднего сиденья (19).
20. Снять вал (20).
21. Снять крышку устройства наклона спинки сиденья (21).
22. Снять тягу (22).
23. Снять пружину (23).
24. Снять устройство регулировки наклона спинки сиденья (24).
25. Снять газовый амортизатор (25).
26. Снять трос наклона спинки сиденья (26).
27. Снять захват заднего сиденья в сборе (27).
28. Снять верхнюю крышку опоры (28).
29. Снять нижнюю крышку опоры (29).
30. Снять кнопку наклона спинки сиденья (30).
31. Снять захват ремня безопасности (31).
32. Снять чехол подушки заднего сиденья (32).
33. Снять опорную подушку (33).
34. Снять подушку заднего сиденья (34).
35. Снять раму подушки заднего сиденья (35).
36. Снять крышку ударника (36).
37. Снять ударник (37).
38. Снять пробку (38).
Правое сиденье (модель с длинной колесной базой)

1. Снять нижнюю крышку устройства регулировки наклона спинки сиденья (1).
2. Снять захват ремня безопасности (2).
3. Снять центральную крышку устройства регулировки наклона спинки сиденья (3).
4. Отсоединить соединение газового амортизатора (4).
5. Снять нижнюю крышку заднего сиденья (5).
6. Отсоединить соединение троса наклона спинки сиденья (6).
7. Отсоединить соединение троса захвата А (7).
8. Снять трос захвата А (8).
9. Снять спинку заднего сиденья в сборе (9).
10. Снять кнопку складывания сиденья (Ю).
11. Снять облицовку кнопки складывания сиденья (11).
12. Снять боковую спинку заднего сиденья (12).
13. Снять заднюю панель заднего сиденья (13).
14. Снять подлокотник (14).
15. Снять держательстаканов (15).
16. Снять направляющую подголовника (16).
17. Снять центральную крышку ремня безопасности заднего сиденья (17).
18. Снять накладку крепления ремня безопасности (18).
19. Снять чехол спинки заднего сиденья (19).
20. Снять подушку спинки заднего сиденья (20).
21. Снять раму подушки спинки заднего сиденья (21).
22. Снять защиту ремня безопасности заднего сиденья (22).
23. Отсоединитьсоединение центрального ремня безопасности (23).
24. Снять вал (24).
25. Снять крышку устройства наклона спинки сиденья (25).
26. Снять тягу (26).
27. Снять пружину (27).
28. Снять устройство регулировки наклона спинки сиденья (28).
29. Снять газовый амортизатор (29).
30. Снять трос наклона спинки сиденья (30).
31. Снять захват заднего сиденья в сборе (31).
32. Снять верхнюю крышку опоры (32).
33. Снять нижнюю крышку опоры (33).
34. Снять кнопку наклона спинки сиденья (34).
35. Снять захват ремня безопасности (35).
36. Снять центральный ремень безопасности (36).
37. Снять чехол подушки заднего сиденья (37).
38. Снять подушку заднего сиденья (38).
39. Снять раму подушки заднего сиденья (39).
40. Снять крышку ударника (40).
41. Снять ударник (41).
42. Снять пробку (42).
Сборка второго ряда сидений
Левое сиденье (модель с короткой колесной базой)
Примечание. При сборке затянуть болты моментами затяжки, указанными на рисунке.
1. Установить боковую спинку заднего сиденья (39).
2. Установить втулку (38).
3. Установить держатель стаканов (37).
4. Установить шарнирный кронштейн (36).
5. Установить пробку (35).
6. Установить ударник (34).
7. Установить крышку ударника (33).
8. Установить раму подушки заднего сиденья (32).
9. Установить подушку заднего сиденья (31).
10. Установить опорную подушку (30).
11. Установить чехол подушки заднего сиденья в сборе (29).
12. Установить захват ремня безопасности заднего сиденья (28).
13. Установить нижнюю крышку опоры (27).
14. Установить верхнюю крышку опоры (26).
15. Установить захват заднего сиденья в сборе (25).
16. Установить газовый амортизатор (24).
17. Установить устройство регулировки наклона спинки заднего сиденья (23).
18. Установить рычаг регулировки наклона спинки заднего сиденья (22).
19. Установить пружину (21).
20. Установить тягу (20).
21. Установить заднюю крышку устройства регулировки наклона спинки сиденья (19).
22. Установить вал (18).
23. Установить раму спинки заднего сиденья (17).
24. Установить подушку спинки заднего сиденья (16).
25. Установить чехол спинки заднего сиденья (15).
26. Установить заднюю панель заднего сиденья (14).
27. Установить направляющую подголовника (13).
28. Установить облицовку кнопки складывания сиденья (12).
29. Установить кнопку складывания сиденья (11).
30. Установить спинку сиденья в сборе (Ю).
31. Установить трос захвата В (9).
32. Установить шарнирный кронштейн (8).
33. Установить трос захвата А (7).
34. Подсоединить соединение троса захвата А, В (6).
35. Установить нижнюю крышку подушки заднего сиденья (5).
36. Подсоединить соединение газового амортизатора (4).
37. Установить крышку навеса (3).
38. Установить центральную крышку устройства регулировки наклона спинки сиденья (2).
39. Установить нижнюю крышку устройства регулировки наклона спинки сиденья (1).
Правое сиденье (модель с короткой колесной базой)
Примечание. При сборке затянуть болты моментами затяжки, указанными на рисунке.
1. Установить боковую спинку заднего сиденья (41).
2. Установить втулку (40).
3. Установить держатель стаканов (39).
4. Установить шарнирный кронштейн (38).
5. Установить пробку (37).
6. Установить ударник (36).
7. Установить крышку ударника (35).
8. Установить раму подушки заднего сиденья (34).
9. Установить подушку заднего сиденья (33).
10. Установить чехол подушки заднего сиденья (32).
11. Установить центральный ремень безопасности (31).
12. Установить захват ремня безопасности (30).
13. Установить нижнюю крышку опоры (29).
14. Установить верхнюю крышку опоры (28).
15. Установить захват заднего сиденья в сборе (27).
16. Установить газовый амортизатор (26).
17. Установитьустройство регулировки наклона спинки заднего сиденья (25).
18. Установить рычаг регулировки наклона спинки заднего сиденья (24).
19. Установить пружину (23).
20. Установить тягу (22).
21. Установить заднюю крышку устройства регулировки наклона спинки сиденья (21).
22. Установить вал (20).
23. Подсоединить соединение центрального ремня безопасности (19).
24. Установить защиту ремня безопасности заднего сиденья (18).
25. Установить раму спинки заднего сиденья (17).
26. Установить подушку спинки заднего сиденья (16).
27. Установить чехол спинки заднего сиденья (15).
28. Установить накладку крепления ремня безопасности (14).
29. Установить центральную крышку ремня безопасности заднего сиденья (13).
30. Установить направляющую подголовника (12).
31. Установить заднюю панель заднего сиденья (11).
32. Установить облицовку кнопки складывания сиденья (10).
33. Установить кнопку складывания сиденья (9).
34. Установить спинку заднего сиденья в сборе (8).
35. Установить трос захвата А (7).
36. Подсоединить соединение троса захвата А, В (6).
37. Установить нижнюю крышку подушки заднего сиденья (5).
38. Подсоединить соединение газового амортизатора (4).
39. Установить центральную крышку устройства регулировки наклона спинки сиденья (3).
40. Установить захват ремня безопасности (2).
41. Установить нижнюю крышку устройства регулировки наклона спинки сиденья (1).
Левое сиденье (модель с длинной колесной базой)
Примечание. При сборке затянуть болты моментами затяжки, указанными на рисунке.
1. Установить пробку (38).
2. Установить ударник (37).
3. Установить крышку ударника (36).
4. Установить раму подушки заднего сиденья (35).
5. Установить подушку заднего сиденья (34).
6. Установить опорную подушку (33).
7. Установить чехол подушки заднего сиденья (32).
8. Установить захват ремня безопасности (31).
9. Установить кнопку наклона спинки сиденья (30).
10. Установить нижнюю крышку опоры (29).
11. Установить верхнюю крышку опоры (28).
12. Установить захват заднего сиденья в сборе (27).
13. Установить трос наклона спинки сиденья (26).
14. Установить газовый амортизатор (25).
15. Установить устройство регулировки наклона спинки сиденья (24).
16. Установить пружину (23).
17. Установить тягу (22).
18. Установить крышку устройства наклона спинки сиденья (21).
19. Установить вал (20).
20. Установить раму спинки заднего сиденья (19).
21. Установить подушку спинки заднего сиденья (18).
22. Установить чехол спинки заднего сиденья (17).
23. Установить заднюю панель заднего сиденья (16).
24. Установить направляющую подголовника (15).
25. Установить боковую спинку заднего сиденья (14).
26. Установить облицовку кнопки складывания сиденья (13).
27. Установить кнопку складывания сиденья (12).
28. Установить спинку заднего сиденья в сборе (11).
29. Установить трос захвата В (10).
30. Установить шарнирный кронштейн (9).
31. Установить трос захвата А (8).
32. Подсоединить соединение троса захвата А, В (7).
33. Подсоединить соединение троса наклона спинки сиденья (6).
34. Установить нижнюю крышку заднего сиденья (5).
35. Подсоединить соединение газового амортизатора (4).
36. Установить крышку навеса (3).
37. Установить центральную крышку устройства регулировки наклона спинки сиденья (2).
38. Установить нижнюю крышку устройства регулировки наклона спинки сиденья (1).
Правое сиденье (модель с длинной колесной базой)

Примечание. При сборке затянуть болты моментами затяжки, указанными на рисунке.
1. Установить пробку (42).
2. Установить ударник (41).
3. Установить крышку ударника (40).
4. Установить раму подушки заднего сиденья (39).
5. Установить подушку заднего сиденья (38).
6. Установить чехол подушки заднего сиденья (37).
7. Установить центральный ремень безопасности (36).
8. Установить захват ремня безопасности (35).
9. Установить кнопку наклона спинки сиденья (34).
10. Установить нижнюю крышку опоры (33).
11. Установить верхнюю крышку опоры (32).
12. Установить захват заднего сиденья в сборе (31).
13. Установить трос наклона спинки сиденья (30).
14. Установить газовый амортизатор (29).
15. Установить устройство регулировки наклона спинки сиденья (28).
16. Установить пружину (27).
17. Установить тягу (26).
18. Установить крышку устройства наклона спинки сиденья (25).
19. Установить вал (24).
20. Подсоединить соединение центрального ремня безопасности (23).
21. Установить защиту ремня безопасности заднего сиденья (22).
22. Установить раму подушки спинки заднего сиденья (21).
23. Установить подушку спинки заднего сиденья (20).
24. Установить чехол спинки заднего сиденья (19).
25. Установить накладку крепления ремня безопасности (18).
26. Установить центральную крышку ремня безопасности заднего сиденья (17).
27. Установить направляющую подголовника (16).
28. Установить держатель стаканов (15).
29. Установить подлокотник (14).
30. Установить заднюю панель заднего сиденья (13).
31. Установить боковую спинку заднего сиденья (12).
32. Установить облицовку кнопки складывания сиденья (11).
33. Установить кнопку складывания сиденья (10).
34. Установить спинку заднего сиденья в сборе (9).
35. Установить трос захвата А (8).
36. Подсоединить соединение троса захвата А (7).
37. Подсоединить соединение троса наклона спинки сиденья (6).
38. Установить нижнюю крышку заднего сиденья (5).
39. Подсоединить соединение газового амортизатора (4).
40. Установить центральную крышку устройства регулировки наклона спинки сиденья (3).
41. Установить захват ремня безопасности (2).
42. Установить нижнюю крышку устройства регулировки наклона спинки сиденья (1).
