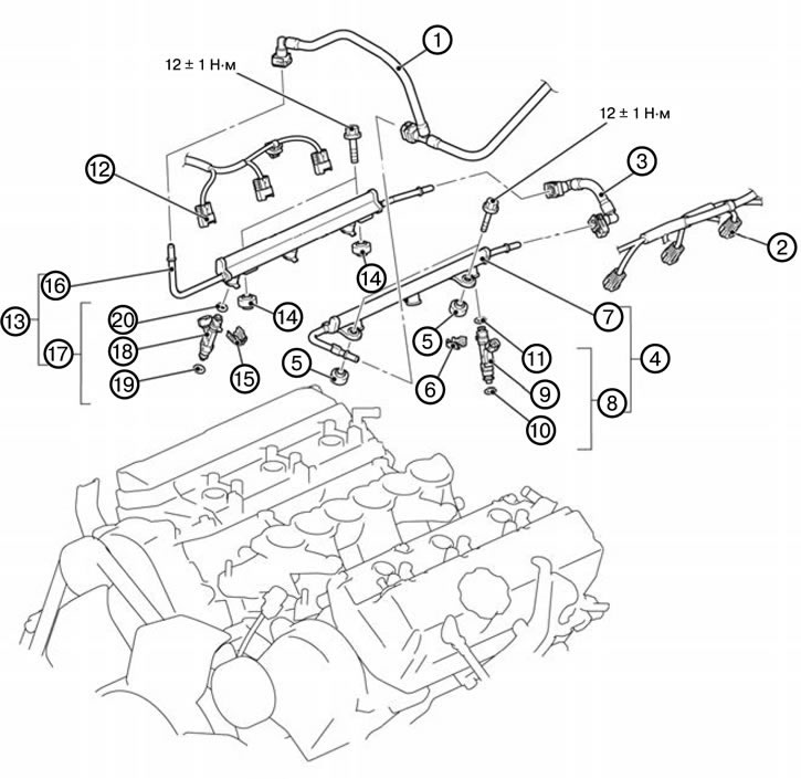
Снятие топливной форсунки
1. Понизить давление топлива в топливной системе.
2. Снять расширительный бачок.

3. Отсоединить соединение топливного шланга высокого давления (1).
4. Отсоединить разъем топливной форсунки (2).
5. Отсоединить соединение топливного шланга высокого давления (3).
6. Снять топливный коллектор и форсунки в сборе (4).
Внимание. Соблюдать осторожность, чтобы не уронить форсунки при снятии топливного коллектора.
[Статья получена с этого портала mitsubishiman.ru]
7. Снять изоляторы (5).
8. Снять крепление топливной форсунки (6).
9. Снять левый топливный коллектор (7).
10. Снять топливные форсунки в сборе (8).
11. Снять топливные форсунки (9).
12. Снять уплотнительное кольцо (10).
13. Снять уплотнительное кольцо (11).
14. Снять выходной шланг охлаждения.
15. Отсоединить разъем топливной форсунки (12).
16. Снять топливный коллектор и форсунки в сборе (13).
Внимание. Соблюдать осторожность, чтобы не уронить форсунки при снятии топливного коллектора.
17. Снять изоляторы (14).
18. Снять крепление топливной форсунки (15).
19. Снять правый топливный коллектор (16).
20. Снять топливную форсунку в сборе (17).
21. Снять топливные форсунки (18).
22. Снять уплотнительное кольцо (19).
23. Снять уплотнительное кольцо (20).
Установка топливной форсунки
Примечание. При установке затянуть болты моментами, указанными на рисунке.
1. Перед установкой нанести немного чистого моторного масла на уплотнительное кольцо.
Внимание. Соблюдать осторожность, не допускать попадания масла внутрь топливного коллектора.
2. Установить уплотнительное кольцо (20).
3. Установить уплотнительное кольцо (19).
4. Установить топливные форсунки (18).
5. Установить топливную форсунку в сборе (17).
6. Установить правый топливный коллектор (16).
7. Установить крепление топливной форсунки (15).
8. Установить изоляторы (14).
9. Установить топливный коллектор и форсунки в сборе (13).
10. Подсоединить разъем топливной форсунки (12).
11. Установить выходной шланг охлаждения.
12. Установить уплотнительное кольцо (11).
13. Установить уплотнительное кольцо (10).
14. Установить топливные форсунки (9).
15. Установить топливные форсунки в сборе (8).
16. Установить левый топливный коллектор (7).
17. Установить крепление топливной форсунки (6).
18. Установить изоляторы (5).
19. Установить топливный коллектор и форсунки в сборе (4).
20. Подсоединить соединение топливного шланга высокого давления (3).
21. Подсоединить разъем топливной форсунки (2).
22. Подсоединить соединение топливного шланга высокого давления (1).
23. Установить расширительный бачок.
24. Проверить давление топлива в топливной магистрали.
