Оглавление: Снятие ⤓ Подвеске с продольными рычагами ⤓ Подвеска с торсионной балкой ⤓ Переборка (только Оля подвески с…⤓ Установка (все модели) ⤓
Снятие
1. Ослабьте гайки крепления обоих задних колес, поднимите заднюю часть автомобиля и установите на опоры. Опоры должны быть установлены строго под опорными точками, а не под узлом задней подвески. Заблокируйте передние колеса.
2. Отсоедините тормозные гидравлические трубопроводы от цилиндров или тормозных механизмов задних колес. При необходимости обратитесь к Главе 9.
3. Снимите задние тормозные барабаны или диски (см. Главу 9).
4. Отвинтите хомуты тормозного трубопровода с обратной стороны рычагов подвески или торсионной балки, затем отсоедините трубопроводы от гибких шлангов на кронштейнах. После снятия тормозных трубопроводов заглушите их концы для предотвращения попадания загрязнения в тормозную систему.
5. Отсоедините тормозные щиты от задней оси, сняв узел ступицы (дисковые тормоза) и отвинтите болты (см. Главу 9). Отсоедините тросы стояночного тормоза от рычагов подвески и передвиньте тормозные узлы.
Примечание: Если узел ступицы (дисковый тормоз) не снимается, используйте специальное колесо и съемник для ступиц.
6. Снимите заднюю часть системы выпуска (при необходимости см. Главу 4).
Подвеске с продольными рычагами
7. Снимите спиральные пружины (см. раздел 12).
8. Подоприте заднюю ось домкратом, расположив его под центральной частью узла, в месте пересечения двух рычагов подвески. Если у вас есть два домкрата, подоприте узел с двух сторон в местах крепления.
9. Отвинтите монтажные обоймы от панели пола. Медленно опустите узел оси, убедившись, что все крепления разъединены.
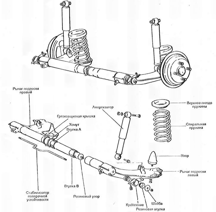
14.9а. Подетальный вид задней подвески с продольными рычагами
14.9b. Монтажные обоймы задней стойки крепятся к панели пола двумя болтами (показаны стрелками)
Подвеска с торсионной балкой
10. Снимите поперечную тягу (см. раздел 11).
11. Отвинтите нижний монтажный болт и гайку амортизатора (см. раздел 12).
12. Подоприте заднюю ось домкратом, расположив его под центральной частью узла. Если у вас есть два домкрата, подоприте узел с двух сторон в местах крепления.
13. Отвинтите монтажные болты торсионной балки и медленно опустите узел торсионной балки.
14.13. Подетальный вид задней подвески с торсионной балкой
Переборка (только Оля подвески с продольными рычагами)
14. Узел задней оси состоит из двух отдельных рычагов подвески, которые можно снять для выполнения технического обслуживания. В рычагах расположены агулки, которые необходимо заменить в случае их износа.
15. При помощи острого инструмента или краски нанесите установочные метки на обоймы и рычаги подвески.
14.15. Перед отсоединением обоймы и рычаги подвески нанесите на них метки совмещения
16. Отвинтите тайки крепления обойм к рычагам подвески, затем снимите обоймы с рычагов. Проверьте резиновые втулки на каждой обойме на износ, наличие трещин и повреждений. Если нужно заменить втулки, выбейте их молотком, затем установите новые, снова воспользовавшись молотком (перед установкой смочите втулки мыльной водой).
17. Если автомобиль оборудован задним стабилизатором поперечной устойчивости, пометьте положение стабилизатора по отношению к его кронштейнам (см. раздел 10).
18. Снимите зажим пылезащитного колпачка и разъедините рычаги.
19. Закрепите правый рычаг подвески в тисках, обернув его ветошью, снимите резиновый упор, затем выбейте втулку с конца трубки.
14.19. Для облегчения снятия постучите по периметру наружного ребра втулки
20. Закрепите левый рычаг подвески в тисках и выбейте втулку из трубки.
14.20. При помощи молотка и бородка извлеките втулку В из левого рычага подвески
21. Смажьте новые втулки и их гнезда смазкой для шасси, затем установите их при помощи оправки. Если у вас нет оправки, используйте большой торцевой ключ или отрезок трубы.
22. Нанесите смазку для шасси на поверхность правого рычага подвески. Установите резиновый упор.
23. Соедините правый и левый рычаги вместе и установите стабилизатор поперечной устойчивости, если применяется. Совместите метки на стабилизаторе с метками на кронштейнах.
24. Установите монтажные обоймы на рычаги подвески (совместите метки, нанесенные на шаге 11). Убедитесь в правильной установке обойм и шайб. Полностью не затягивайте гайки обойм.
14.24. В процессе установки обойма должна быть установлена как показано на данной иллюстрации
25. Нанесите смазку на пылезащитный колпачок и кромки, затяните зажим.
Установка (все модели)
26. Установку оси производите в обратной последовательности. Затяните болты крепления обоймы к панели пола с моментом, указанным в спецификации данной Главы. Опустите автомобиль на землю и затяните гайки обоймы с моментом, указанным в спецификации данной Главы.
27. Прокачайте тормозную систему (см. Главу 9).
