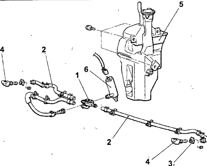
Рис. 17.78. Омыватель фар: 1 - напорный клапан; 2 - шланг омывателя; 3 - кронштейн, 4 - распылитель; 5 - бачок; 6 - насос омывателя
Снятие
- Снимите многофункциональный подрулевой переключатель со встроенным переключателем омывателя фар.
- Слейте омывающую жидкость.
- Снимите передний бампер.
- Отсоедините шланги и снимите напорный клапан.
- Снимите шланги омывателя фар.
- Отверните гайки и снимите кронштейны и распылители.
- Выверните винты и снимите бачок омывателя фар.
- Отсоедините электрический разъем и снимите насос омывателя фар.
- В моторном отсеке снимите реле омывателя фар (рис. 17.79).
Рис. 17.79. Расположение реле омывателя фар
Проверка переключателя омывателя фар
- Омметром проверьте проводимость между контактами разъема при различных положениях переключателя омывателя фар (рис. 17.80).

Рис. 17.80. Расположение контактов разъема переключателя омывателя фар
Проверка напорного клапана
- Подайте давление к входному отверстию напорного клапана и проверьте давление открытия клапана (рис. 17.81).
Рис. 17.81. Проверка напорного клапана
Давление открытия напорного клапана: 78 kPa
