2. Слейте жидкость из системы охлаждения (см. Главу 1).
3. Работая в отсеке двигателя или под приборной панелью, отсоедините шланги обогревателя от управляющего клапана обогревателя.
4. Снимите панель приборов и центральную панель (если есть).
5. Снимите органы управления отопителем (см. раздел 12) и отсоедините шланги обогревателя от трубок радиатора. Приготовьтесь к сбору пролившейся жидкости.
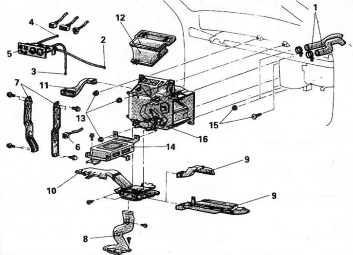
11.5. Типичные детали обогревателя. 1. Шланги нагревателя, 2. Трос управления потоком воздуха, 3. Трос управления температурой, 4. Трос управления режимом работы, 5. Блок управления обогревателем, 6. Электрический разъем, 7. Центральная опора приборной панели, 8. Воздуховод А заднего обогревателя, 9. Воздуховод, 10. Воздуховод, 11. Воздуховод, 12. Центральный вентиляционный воздуховод, 13. Гайки крепления обогревателя, 14. Блок управления, 15. Крепления испарителя, 16. Обогреватель
6. Снимите радиоприемник, затем отвинтите болты крепления центральной опоры приборной панели.
7. Пометьте и отсоедините воздушные короба, провода и органы управления, все еще подсоединенные к корпусу обогревателя.
8. Отвинтите обогреватель и извлеките его из автомобиля.
9. Отвинтите винты, снимите зажимы и отделите фиксирующую пластину радиатора от корпуса.
11.9. Фиксирующая пластина и зажим расположены на обратной стороне обогревателя
10. Извлеките старый радиатор обогревателя и установите новый.
11.10. Осторожно извлеките радиатор из обогревателя
(Текст статьи взят с сайта MITSUBISHIMAN.ru)
11. Соберите обогреватель и проверьте работу заслонок управления воздухом. При заклинивании механизма, устраните проблему до установки.
12. Установите остальные детали в обратной последовательности.
