Оглавление: Проверка рабочего напряжения…⤓ Проверка клемм аккумуляторной…⤓ Проверка приводного ремня ⤓ Проверка проводки генератора…⤓ Проверка генератора переменного тока…⤓ Проверка лампочки зарядки ⤓ Измерение электрического напряжения…⤓ Проверка регулятора напряжения ⤓
Проверка рабочего напряжения аккумуляторной батареи
1. Запустить двигатель и дать ему поработать около двадцати минут, затем заглушить двигатель.
2. Повернуть ключ зажигания в положение «ON» и включить все электрические системы (освещение, кондиционер) на одну минуту, чтобы снять излишнее напряжение.
3. Повернуть ключ зажигания в положение «OFF» и выключить все электрические системы (освещение, кондиционер). Затем подсоединить вольтметр к аккумуляторной батареи и измерить напряжение между клеммами аккумуляторной батареи.
Стандартное значение напряжения: 12,5-12,9 В при 20°C.
Примечание. Если напряжение меньше напряжения указанного в спецификации, заменить аккумуляторную батарею.
Проверка клемм аккумуляторной батареи, блока предохранителей и плавких перемычек
1. Проверить наличие повреждений или коррозии на клеммах аккумуляторной батареи.
2. Проверить блок предохранителей и плавкие перемычки на предмет неразрывности.
Проверка приводного ремня
1. Проверить ремень на предмет интенсивного износа, износа корда и т.д.
Примечание. Если какие либо из этих дефектов были обнаружены необходимо, заменить ремень. Трещины на ребристой поверхности ремня не допустимы. Если на ремне имеются места, где нет ребер, необходимо заменить ремень.

2. Проверить правильность установки приводного ремня.
Примечание. Проверить вручную, что ремень находиться в пазах приводного шкива и не съехал в сторону.
Примечание:
- Проверить прогиб ремня в специальных точках, указанных на рисунке.
- При установке нового ремня, установить величину натяжения ремня согласно спецификации.
- После того как новый ремень поработает более 5 минут, проверить и убедиться, что прогиб ремня соответствует значения спецификации нового ремня.
- После установки и работы старого ремня более 5 минут, проверить и убедиться, что прогиб ремня соответствует значения спецификации старого ремня.
- Проверить величину силы натяжения и прогиб V — образного ремня, после того, как коленчатый вал сделает два полных поворота.
Проверка проводки генератора переменного тока
Проверить визуально состояние проводки генератора переменного тока.
Проверка генератора переменного тока на слух
Проверить генератор переменного тока на предмет наличия ненормальных звуков при работающем двигателе.
Проверка лампочки зарядки
1. Повернуть ключ зажигания в положение «ON».
2. Проверить загорелась ли лампочка зарядки.
3. Запустить двигатель.
4. Проверить погасла ли лампочка зарядки.
Примечание. Если лампочка зарядки не погасла, провести проверку системы зарядки.
Измерение электрического напряжения в выходном контуре генератора переменного тока

Целью проведения данного испытания является определение состояния кабельной проводки (включая плавкий провод) между контактом В генератора переменного тока и положительным контактом (+) аккумулятора.
1. Перед проведением испытаний необходимо проверить следующее:
- 1) Монтажное положение и надежного тока.
- 2) Натяжение приводного ремня генератора переменного тока.
- 3) Состояние плавкого провода.
- 4) Наличие ненормального шума от генератора переменного тока при работе двигателя.
2. Установить ключ в замке зажигания в положение "OFF".
3. Отсоединить кабель от отрицательного контакта аккумулятора.
4. Отсоединить выводной кабель от контакта В генератора переменного тока, последовательно подключить предназначенный для проведения испытаний амперметр постоянного тока со шкалой 1 -100А к контакту В генератора и отсоединенному выводному кабелю (вывод положительного контакта (+) амперметра подключается к контакту В, а отрицательный вывод амперметра (-) - к снятому выводному кабелю генератора).
Внимание. Предпочтительно использовать амперметр с зажимами, который можно подключить по описанной выше схеме даже без отсоединения выводного кабеля генератора переменного тока. Плохое замыкание контакта В приведет к снижению индуцированного электрического напряжения.
5. Подключить цифровой вольтметр между контактом В генератора переменного тока и положительным контактом (+) аккумулятора (положительный вывод вольтметра (+) подключается к контакту В генератора, отрицательный вывод (-)- к положительному контакту (-) аккумулятора).
6. Подключить повторно кабель к отрицательному контакту аккумулятора.
7. Установить тахометр для измерения частоты вращения двигателя.
8. Открыть капот двигателя и зафиксировать его в открытом положении.
9. Запустить двигатель.
10. При частоте вращения двигателя 2500 об/мин изменять нагрузку на двигатель, включая и выключая фары и другие световые приборы. Стрелка амперметра должна показывать значение силы тока немного выше 30А. Постепенно отрегулировать частоту вращения двигателя таким образом, чтобы стрелка амперметра установилась точно на значении 30А, считать показания вольтметра в этом режиме.
Предельно допустимое эксплуатационное значение: не более 0,3В.
Внимание. Если выходная мощность генератора переменного тока слишком велика, и не удается установить стрелку амперметра точно на значение 30А, можно отрегулировать частоту вращения двигателя до соответствующей силы тока 40А и считать показания вольтметра в этом режиме. В этом случае предельно допустимое эксплуатационное значение не должно превышать 0,4В.
11. Если вольтметр показывает напряжение, превышающее предельно допустимое значение, можно считать, что в выходном контуре генератора переменного тока имеется неисправность. В этом случае необходимо проверить кабельную шину между контактом В генератора и положительным контактом (+) аккумулятора.
12. После завершения испытаний дать двигателю поработать некоторое время в режиме холостого хода.
13. Выключить все фары и световые приборы, затем выключить зажигание.
14. Отключить тахометр.
15. Отсоединить кабель от отрицательного контакта аккумулятора.
16. Отсоединить амперметр и вольтметр.
17. Подсоединить выводной кабель к контакту В генератора переменного тока.
18. Подсоединить кабель к отрицательному контакту аккумулятора.
Проверка регулятора напряжения

Данная проверка определяет, правильно ли регулятор напряжения генератора управляет выходным напряжением генератора.
1. Перед началом проверки всегда проверяйте следующее:
- Установку генератора.
- Аккумуляторная батарея должна быть полностью заряжена.
- Натяжение ремня привода генератора.
- Плавкую вставку.
- Отсутствие посторонних шумов при работе генератора.
2. Поверните ключ зажигания в положение OFF (ВЫКЛ).
3. Отсоедините провод от (-) клеммы аккумуляторной батареи.
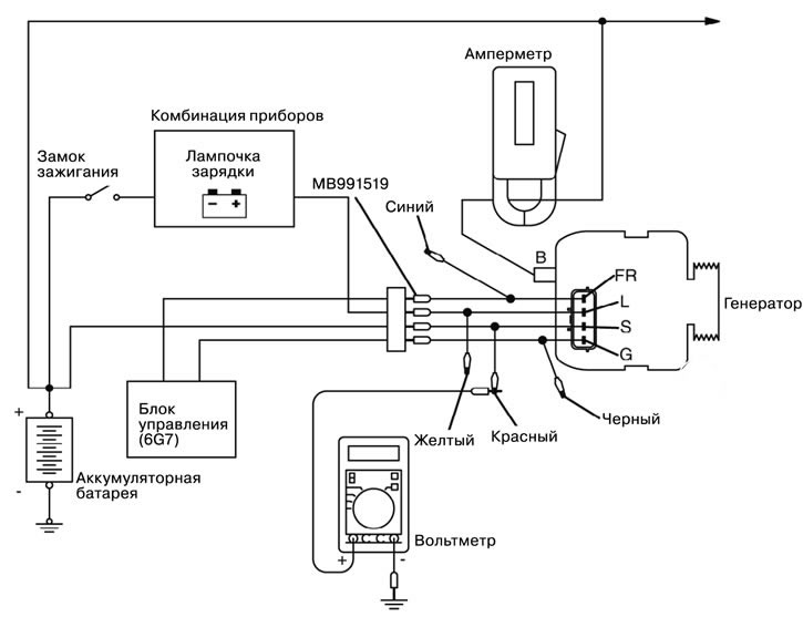
4. Для подсоединения цифрового вольтметра используйте специальный инструмент (жгут тестовых проводов для проверки генератора МВ991519, МВ991450). Подсоедините (+) провод вольтметра к выводу "S" генератора, а затем надежно соедините (-) провод вольтметра с "массой" или подсоедините его к(-) клемме батареи.
5. Отсоедините провод от вывода "В" генератора.
6. Подсоедините (+) провод амперметра постоянного тока со шкалой 0-100 А к выводу "В" генератора, а (-) провод амперметра к отсоединенному штатному проводу.
7. Подсоедините провод от (-) клеммы аккумуляторной батареи.
8. Подсоедините тахометр или MUT-II.
9. Поверните ключ зажигания в положение ON (ВКЛ) и проверьте, что показания вольтметра равны напряжению аккумуляторной батареи.
Примечание. Если вольтметр показывает "0" В, то, вероятен обрыв в цепи между выводом "S" генератора и (+) клеммой аккумуляторной батареи (в том числе в плавкой вставке).
10. Выключите все освещение и дополнительное электрооборудование автомобиля.
11. Заведите двигатель.
12. Установите частоту вращения двигателя равную 2500 об/мин.
13. Считайте показания вольтметра, когда ток отдачи генератора составляет 10 А или менее.
14. Если показания вольтметра соответствуют номинальным значениям регулируемого напряжения, то регулятор напряжения исправен. Если же показания вольтметра не соответствуют диапазону номинальных значений, то неисправен либо регулятор напряжения, либо генератор.
15. После окончания проверки дайте поработать двигателю на холостом ходу.
16. Выключите зажигание.
17. Отсоедините тахометр или MUT-III.
18. Отсоедините провод от (-) клеммы аккумуляторной батареи.
19. Отсоедините амперметр и вольтметр.
20. Подсоедините штатный провод к выводу "В" генератора.
21. Снимите специальный инструмент и соедините электрический разъем генератора.
22. Подсоедините провод к (-) клемме аккумуляторной батареи.
Таблица номинальных значений регулируемого напряжения:
| Проверяемый вывод | Температура воздуха около регулятора напряжения (в моторном отсеке),°C | Напряжение, В |
| Вывод "S" | -20 | 14,2-15,4 |
| 20 | 13,9- 14,9 | |
| 60 | 13,4- 14,6 | |
| 80 | 13,1 -14,5 |
