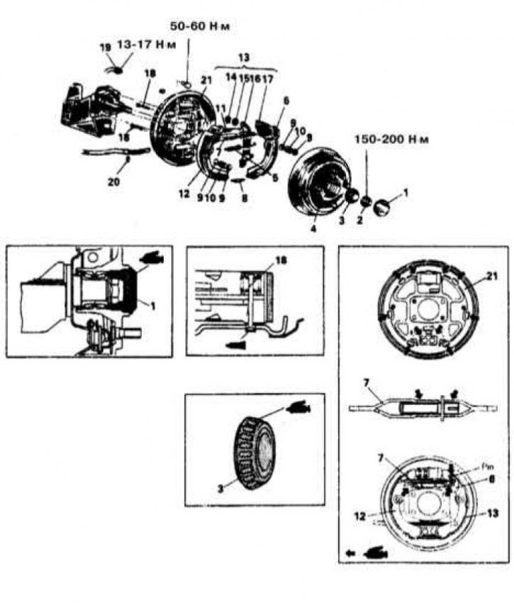
Конструкция барабанного тормозного механизма, используемого на моделях Mirage по 1992 г. вып.
1 - Крышка ступичной гайки; 2 - Ступичная гайка; 3 - Внутренняя обойма наружного подшипника; 4 - Тормозной барабан; 5 - Пружина крепления башмака к рычагу регулятора; 6 - Рычаг регулятора; 7 - Сборка автоматического регулятора; 8 - Нижняя стяжная пружина; 9 - Тарелки направляющих пружин; 10 - Направляющие пружины башмаков; 11 - Верхняя стяжная пружина; 12 - Тормозной башмак; 13 - Сборка башмака с анкерным узлом; 14 - Держатель; 15 - Волнистая шайба; 16 - Исполнительный рычаг привода стояночного тормоза; 17 - Тормозной башмак; 18 - Анкерный палец; 19 - Тормозная трубка; 20 - Стопорное кольцо; 21 - Тормозной щит
Конструкция барабанного тормозного механизма, используемого на моделях Galant и Mirage с 1993 г. вып.
1 - Тормозной барабан; 2 - Пружина крепления башмака к рычагу регулятора; 3 - Рычаг регулятора; 4 - Сборка автоматического регулятора; 5 - Нижняя стяжная пружина; 6 - Тарелки направляющих пружин; 7 - Направляющие пружины башмаков; 8 - Тарелки направляющих пружин; 9 - Верхняя стяжная пружина; 10 - Тормозной башмак с фрикционной накладкой; 11 - Сборка тормозного башмака с регулировочным рычагом; 12 - Держатель; 13 - Волнистая шайба; 14 - Исполнительный рычаг привода стояночного тормоза; 15 - Тормозной башмак с фрикционной накладкой; 16 - Анкерный палец; 17 - Тормозная трубка; 18 - Стопорное кольцо; 19 - Ступичная сборка; 20 - Тормозной щит
Предупреждение! Помните, что вырабатываемая в процессе работы тормозных механизмов пыль может содержать чрезвычайно вредный для здоровья человека асбест. Ни в коем случае не сдувайте пыль сжатым воздухом и не вдыхайте ее, - при обслуживании механизмов надевайте защитную маску или респиратор. Ни в коем случае не используйте для протирки компонентов тормозной системы бензином или растворителями на нефтяной основе, - применяйте только фирменные чистящие средства или метиловый спирт!
Модели Mirage по 1992 г.г. вып.
Снятие
1. Конструкция барабанного тормозного механизма, используемого на моделях Mirage по 1992 г. вып. представлена на иллюстрации.
2. Поддомкратьте автомобиль и установите его на подпорки.
3. Снимите соответствующее заднее колесо.
4. Снимите пылезащитную крышку ступичной гайки.
5. Отдайте самоконтрящуюся ступичную гайку.
6. Снимите наружный колесный подшипник.
7. Снимите со шпинделя тормозной барабан в сборе со внутренним колесным подшипником.
8. Снимите сальник.
Установка
1. Для проверки годности к дальнейшему использованию самоконтрящейся гайки наверните ее на шпиндель, таким образом, чтобы конец последнего вышел наружу приблизительно на 3 мм. Измерьте крутящий момент сопротивления вращению гайки против часовой стрелки. Результат измерения составляет менее 5.5 Н·м, гайка подлежит замене.
2. Смажьте и установите внутренний подшипник.
3. Установите новый сальник.
4. Наденьте на шпиндель тормозной барабан.
5. Смажьте и установите наружный колесный подшипник.
6. Затяните самоконтрящуюся ступичную гайку с требуемым усилием (150÷200 Н·м).
7. Установите защитную крышку.
Проверка состояния

1. Измерьте внутренний диаметр снятого с автомобиля тормозного барабана, - с целью выявления признаков овальности измерение следует производить в нескольких точках.
2. Если результат измерения превышает предельно допустимое значение (231 мм), замените барабан в комплекте с башмаками (см. Раздел Снятие и установка тормозных башмаков).
Модели Galant и Mirage с 1993 г. вып.
Снятие
1. Конструкция барабанного тормозного механизма, используемого на моделях Galant и Mirage с 1993 г. вып. представлена на иллюстрации.
2. Поддомкратьте автомобиль и установите его на подпорки.
3. Снимите соответствующее заднее колесо.
4. Ослабьте регулировочную гайку привода стояночного тормоза.

5. Потянув на себя, снимите тормозной барабан со ступичной сборки, - в случае необходимости обстучите сборку молотком с мягким бойком с целью ее освобождения. Если диск при кипел и не поддается снятию, вверните в два специально предусмотренных резьбовых отверстия в его лицевой поверхности пару подходящих по размеру болтов и, постепенно затягивая их, освободите барабан.
Установка
1. Установите барабан на ступицу.
2. Установите колесо отрегулируйте привод стояночного тормоза.
3. Опустите автомобиль на землю.
