Оглавление: Модели Mirage ⤓ Модели Galant по 1993 г. вып. ⤓ Модели Galant с 1994 г. вып. ⤓ Модели Diamante ⤓
Детали установки рулевого насоса на моделях Mirage
1 - Приводной ремень; 2 - Контактный разъем электропроводки датчика-выключателя давления; 3 - Всасывающий шланг; 4 - Напорная линия; 5 - Уплотнительное кольцо; 6 - Болт; 7 - Болт; 8 - Болт; 9 - Насос; 10 - Монтажная скоба; 11 - Стойка опорного кронштейна; 12 - Опорный кронштейн; N - Замените
Детали установки переднего рулевого насоса на моделях Galant по 1993 г. вып.
1 - Контактный разъем электропроводки датчика-выключателя давления; 2 - Возвратный шланг; 3 - Всасывающий шланг; 4 - Штуцер напорной линии; 5 - Уплотнительное кольцо; 6 - Приводной ремень; 7 - Насос; 8 - Опорный кронштейн; 9 - Термозащитный экран (модели по 1992 г. вып., SOHC); 10 - Шланги; 11 - Резервуар; 12 - Опорный кронштейн резервуара; N - Замените
Детали установки заднего рулевого насоса на моделях Galant по 1993 г. вып.
1 - Подающая трубка; 2 - Уплотнительное кольцо; 3 - Задний рулевой насос; 4 - Уплотнительное кольцо; N - Замените
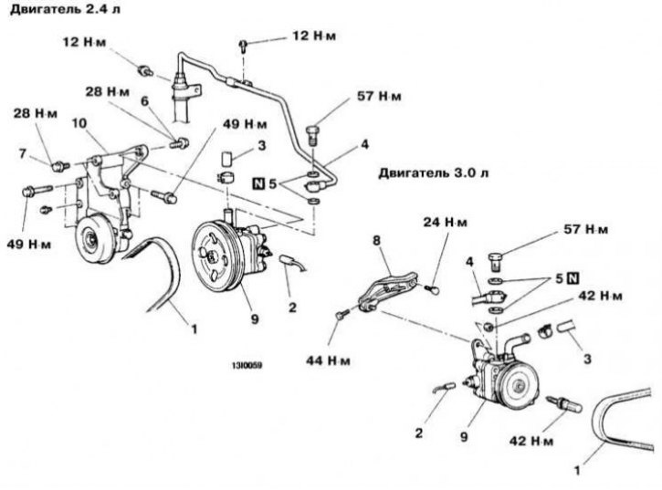
Детали установки рулевого насоса на моделях Galant 2.4/3.0 л с 1994 г. вып.
1 - Приводной ремень; 2 - Контактный разъем электропроводки датчика-выключателя давления; 3 - Всасывающий шланг; 4 - Напорная линия; 5 - Уплотнительная прокладка; 6 - Болт; 7 - Болт; 8 - Опорный кронштейн рулевого насоса; 9 - Насос; 10 - Опорный кронштейн насоса; N - Замените
Детали установки рулевого насоса на моделях Diamante
1 - Приводной ремень; 2 - Всасывающий шланг; 3 - Напорная линия; 4 - Контактный разъем электропроводки датчика-выключателя давления; 5 - Стойка опорного кронштейна рулевого насоса; 6 - Насос
Модели Mirage
Снятие
1. Детали установки рулевого насоса на моделях Mirage показаны на иллюстрации.
2. Отсоедините от резервуара рулевого насоса возвратный шланг и опустите его в сливную емкость.
3. Отключите систему зажигания. Проворачивая двигатель, несколько раз поверните рулевое колесо с целью удаления из тракта остатков жидкости.
4. Отсоедините отрицательный провод от батареи.
Внимание! Если установленная на автомобиле стереосистема оборудована охранным кодом, прежде чем отсоединять батарею удостоверьтесь в том, что располагаете правильной комбинацией для ввода аудиосистемы в действие!
5. Отсоедините от стенки рулевого насоса электропроводку датчика-выключателя давления.
6. Если генератор расположен под насосом, прикройте его полиэтиленовой пленкой или ветошью с целью защиты от проливаемого масла.
7. Отсоедините напорную линию.
8. Снимите ремни привода рулевого и водяного насосов.
9. Снимите шкив водяного насоса.
10. Выверните крепежные болты и снимите рулевой насос со своего опорного кронштейна.
Установка
1. Установите насос на свое штатное место и затяните болты его крепления с требуемым усилием.
2. Установите шкив водяного насоса. Вверните крепежные болты и затяните их с требуемым усилием (19 Н·м).
3. Установите приводные ремни и отрегулируйте усилия их натяжения (см. Главу Настройки и текущее обслуживание).
4. Заменив уплотнительные кольца, подсоедините напорную линию, - проследите за правильностью совмещения посадочных меток. Затяните гайку крепления напорной линии с требуемым усилием (18 Н·м).
5. Подсоедините возвратную линию.
6. Подсоедините электропроводку к датчику-выключателю давления.
7. Залейте в резервуар необходимое количество гидравлической жидкости и прокачайте систему.
Модели Galant по 1993 г. вып.
Передний рулевой привод
Снятие
1. Детали установки переднего рулевого насоса на моделях Galant по 1993 г. вып. показаны на иллюстрации.
2. Отсоедините отрицательный провод от батареи.
Внимание! Если установленная на автомобиле стереосистема оборудована охранным кодом, прежде чем отсоединять батарею удостоверьтесь в том, что располагаете правильной комбинацией для ввода аудиосистемы в действие!
3. Отсоедините от стенки рулевого насоса электропроводку датчика-выключателя давления.
4. Если генератор расположен под насосом, прикройте его полиэтиленовой пленкой или ветошью с целью защиты от проливаемого масла.
5. Отсоедините возвратную линию.
6. Снимите крышку и спустите из резервуара гидравлическую жидкость через возвратный шланг. Если жидкость загрязнена, отсоедините ВВ провод системы зажигания и несколько раз проверните двигатель с целью удаления всей жидкости из тракта.
7. Отсоедините напорную линию.
8. Снимите ремень привода рулевого насоса.
9. Выверните крепежные болты и снимите рулевой насос с двигателя.
Установка
1. Установите насос на свое штатное место, накиньте на шкив приводной ремень и свободно затяните крепежные болты.
2. Заменив уплотнительные кольца, подсоедините напорную линию, - проследите за правильностью совмещения посадочных меток.
3. Подсоедините возвратную линию.
4. Подсоедините электропроводку к датчику-выключателю давления.
5. Затяните гайку крепления напорной линии с требуемым усилием (18 Н·м).
6. Отрегулируйте усилие натяжения приводного ремня, затем окончательно затяните болты крепления насоса с требуемым усилием (35÷45 Н·м).
7. Залейте в резервуар необходимое количество гидравлической жидкости и прокачайте систему.
Задний рулевой привод
Снятие
1. Детали установки заднего рулевого насоса на моделях Galant по 1993 г. вып. показаны на иллюстрации.
2. Поддомкратьте автомобиль и установите его на подпорки.
3. Слейте масло из картера заднего дифференциала.
4. Предварительно нанеся установочные метки, снимите карданный вал.
5. Снимите полуоси привода задних колес.
6. При необходимости снимите центральную секцию системы выпуска отработавших газов и сборку глушителя.
7. Отсоедините от насоса напорную и возвратную линии.
8. На большие болты крепления несущей пластины дифференциала могут быть навернуты самоконтрящиеся гайки, перед отдаванием которых сборку заднего моста следует подпереть посередине тележечным домкратом.
9. Отдайте гайки, затем снимите с задней части держателя несущую пластину(ы) и квадратный динамический демпфер.
10. Опустите держатель дифференциала и снимите его с автомобиля.
11. Выверните крепежный болт и снимите рулевой насос со сборки заднего дифференциала.
Установка
1. Установите насос на держатель дифференциала и затяните болты его крепления с требуемым усилием (19÷28 Н·м).
2. Заведите держатель заднего дифференциала на свое штатное место и вверните болты опорной балки. Затяните новые самоконтрящиеся гайки с требуемым усилием (100÷120 Н·м: болты крепления к держателю верхней несущей пластины, 80÷100 Н·м: болты крепления к держателю несущей балки/динамического демпфера, 110÷130 Н·м: болты крепления несущей балки).
3. Подсоедините к насосу всасывающую и напорную линии.
4. Замените стопорные кольца на обоих полуосях.
5. Установите карданный вал и затяните элементы его крепежа с требуемым усилием (30÷35 Н·м).
6. Установите центральную секцию и глушитель системы выпуска отработавших газов.
7. Отрегулируйте усилие натяжения приводного ремня насоса и затяните регулировочные болты.
8. Подсоедините отрицательный провод к батарее.
9. Опустите автомобиль на землю, проверьте горизонтальность его установки и залейте свежее масло в картер заднего дифференциала.
10. Залейте в систему гидроусиления руля необходимое количество гидравлической жидкости и прокачайте тракт.
Модели Galant с 1994 г. вып.
Модели 2.4 л
Снятие
1. Детали установки рулевого насоса на моделях Galant с 1994 г. вып. показаны на иллюстрации.
2. Отсоедините отрицательный провод от батареи.
Внимание! Если установленная на автомобиле стереосистема оборудована охранным кодом, прежде чем отсоединять батарею удостоверьтесь в том, что располагаете правильной комбинацией для ввода аудиосистемы в действие!
3. Ослабьте и снимите ремень привода рулевого насоса.
4. Отсоедините от насоса электропроводку датчика-выключателя давления.
5. Если генератор расположен под насосом, прикройте его полиэтиленовой пленкой или ветошью с целью защиты от проливаемого масла.
6. Отсоедините возвратную линию.
7. Снимите крышку и спустите из резервуара гидравлическую жидкость через возвратный шланг. Если жидкость загрязнена, отсоедините ВВ провод системы зажигания и несколько раз проверните двигатель с целью удаления всей жидкости из тракта.
8. Отсоедините напорную линию.
9. Выверните крепежные болты и снимите рулевой насос с двигателя.
Установка
1. Установите насос на свое штатное место, накиньте на шкив приводной ремень и свободно затяните крепежные болты.
2. Заменив уплотнительные кольца, подсоедините напорную линию, - проследите за правильностью совмещения посадочных меток. Затяните штуцерный разъем с требуемым усилием (18 Н·м).
3. Подсоедините и закрепите новым хомутом возвратную линию.
4. Подсоедините электропроводку к датчику-выключателю давления.
5. Отрегулируйте усилие натяжения приводного ремня, затем окончательно затяните болты крепления насоса.
6. Подсоедините отрицательный провод к батарее.
7. Залейте в резервуар необходимое количество гидравлической жидкости и прокачайте систему.
Модели 3.0 л
Снятие
1. Детали установки рулевого насоса см. на иллюстрации.
2. Отсоедините отрицательный провод от батареи.
Внимание! Если установленная на автомобиле стереосистема оборудована охранным кодом, прежде чем отсоединять батарею удостоверьтесь в том, что располагаете правильной комбинацией для ввода аудиосистемы в действие!
3. Отсоедините возвратную линию.
4. Снимите крышку и спустите из резервуара гидравлическую жидкость через возвратный шланг. Если жидкость загрязнена, отсоедините ВВ провод системы зажигания и несколько раз проверните двигатель с целью удаления всей жидкости из тракта.
5. Ослабьте и снимите ремень привода рулевого насоса.
6. Отсоедините от насоса электропроводку датчика-выключателя давления.
7. Если генератор расположен под насосом, прикройте его полиэтиленовой пленкой или ветошью с целью защиты от проливаемого масла.
8. Отсоедините напорную линию.
9. Выверните крепежные болты и снимите рулевой насос со своего опорного кронштейна.
Установка
1. Установите насос на свое штатное место, накиньте на шкив приводной ремень и затяните крепежные болты с требуемым усилием (24 Н·м).
2. Заменив уплотнительные кольца, подсоедините напорную линию, - проследите за правильностью совмещения посадочных меток. Затяните крепежную гайку с требуемым усилием (24 Н·м), - не забудьте подложить стопорную шайбу.
3. Подсоедините и закрепите новым хомутом возвратную линию.
4. Подсоедините электропроводку к датчику-выключателю давления.
5. Отрегулируйте усилие натяжения приводного ремня, затем окончательно затяните болты крепления насоса.
6. Подсоедините отрицательный провод к батарее.
7. Залейте в резервуар необходимое количество гидравлической жидкости и прокачайте систему.
Модели Diamante
Передний рулевой привод
Снятие
1. Детали установки рулевого насоса на моделях Diamante показаны на иллюстрации. .
2. Отсоедините отрицательный провод от батареи.
Внимание! Если установленная на автомобиле стереосистема оборудована охранным кодом, прежде чем отсоединять батарею удостоверьтесь в том, что располагаете правильной комбинацией для ввода аудиосистемы в действие!
3. Отсоедините возвратную линию.
4. Снимите крышку и спустите из резервуара гидравлическую жидкость через возвратный шланг. Если жидкость загрязнена, отсоедините ВВ провод системы зажигания и несколько раз проверните двигатель с целью удаления всей жидкости из тракта.
5. Ослабьте и снимите ремень привода рулевого насоса.
6. Отсоедините от насоса электропроводку датчика-выключателя давления.
7. Если генератор расположен под насосом, прикройте его полиэтиленовой пленкой или ветошью с целью защиты от проливаемого масла.
8. Отсоедините напорную линию.
9. Выверните крепежные болты и снимите рулевой насос со своего опорного кронштейна.
Установка
1. Установите насос на свое штатное место, накиньте на шкив приводной ремень и затяните крепежные болты с требуемым усилием (24 Н·м).
2. Заменив уплотнительные кольца, подсоедините напорную линию, - проследите за правильностью совмещения посадочных меток. Затяните крепежную гайку с требуемым усилием (24 Н·м), - не забудьте подложить стопорную шайбу.
3. Подсоедините и закрепите новым хомутом возвратную линию.
4. Подсоедините электропроводку к датчику-выключателю давления.
5. Отрегулируйте усилие натяжения приводного ремня, затем окончательно затяните болты крепления насоса.
6. Подсоедините отрицательный провод к батарее.
7. Залейте в резервуар необходимое количество гидравлической жидкости и прокачайте систему.
Задний рулевой привод
Снятие
1. Отсоедините отрицательный провод от батареи.
Внимание! Если установленная на автомобиле стереосистема оборудована охранным кодом, прежде чем отсоединять батарею удостоверьтесь в том, что располагаете правильной комбинацией для ввода аудиосистемы в действие!
2. Слейте гидравлическую жидкость системы усиления руля.
3. Снимите термозащитный экран заднего рулевого насоса с обращенной к двигателю стороны дифференциала на трансмиссии.
4. Отсоедините от насоса напорную линию.
5. Отсоедините от насоса всасывающую линию.
6. Выверните крепежные болты и снимите рулевой насос с трансмиссии.
Установка
1. Установка производится в обратном порядке. Проследите, чтобы крепежные болты были затянуты с требуемым усилием (24 Н·м).
2. В заключение залейте в систему гидроусиления руля необходимое количество гидравлической жидкости и прокачайте тракт.
