Нагрузка от электросистемы или системы усиления рулевого управления
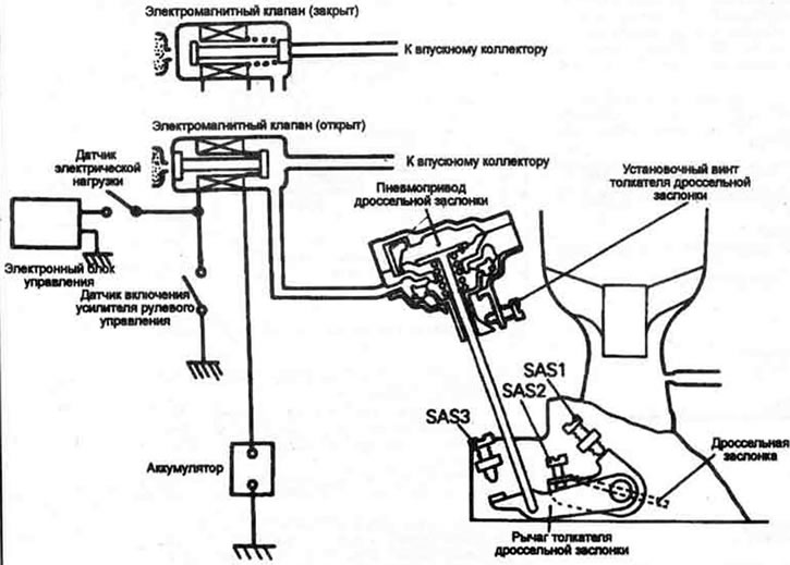
1. Эта система повышения частоты вращения холостого хода состоит из демпфера, электромагнитного клапана, датчика электрической нагрузки и датчика давления масляного насоса системы усиления рулевого управления (см. иллюстрацию).
11.1. Элементы системы повышения частоты вращения холостого хода при нагрузке от электросистемы или от усилителя рулевого управления.
2. Когда на холостом ходу появляется нагрузка от электросистемы или системы усиления рулевого управления, требующая увеличения частоты вращения двигателя, электромагнитный клапан открывается. открывая подачу вакуума из впускного коннектора в демпфер. Вакуум, воздействующий на демпфер, слегка приоткрывает дроссельную заслонку с помощью рычага повышения частоты вращения холостого хода, который установлен на валу дроссельной заслонки.
Нагрузка от системы кондиционирования воздуха
3. Эта система повышения частоты вращения холостого хода состоит из мембранного толкателя дроссельной заслонки, электромагнитного клапана, выключателя кондиционера воздуха и электронного блока управления (ECU) (см. иллюстрацию).
11.3. Элементы системы повышения частоты вращения холостого хода при нагрузке кондиционера воздуха.
4. При включении кондиционера воздуха на холостом ходу необходимо увеличение частоты вращения двигателя, поэтому электромагнитный клапан открывается и подает вакуум из впускного коллектора в мембранный толкатель дроссельной заслонки. Вакуум, воздействующий на мембранный толкатель дроссельной заслонки, вызывает увеличение часто ты вращения двигателя.
Оригинал статьи опубликован на: MitsubishiMan.ru
