2. Снимите воздушный фильтр (см. Главу 4).
3. Отсоедините высоковольтные провода от свечей зажигания и кронштейн крепления проводки от крышки клапанов.
Примечание. На двигателях DOHC снимите центральную крышку для обеспечения доступа к свечам зажигания.
4. Ясно пометьте и отсоедините шланги и провода, которые подсоединены к крышке клапанов или проходят над ней.
[Статья взята с веб-сайта: www.MitsubishiMan.ru]
5. Вывинтите болты крышки клапанов и снимите крышку. Если крышка прилипла к головке цилиндров, постучите по ней мягким молотком или деревянным бруском.
3.5а. Отвинтите болты крышки клапанов (стрелки) - показан двигатель 2,0 л
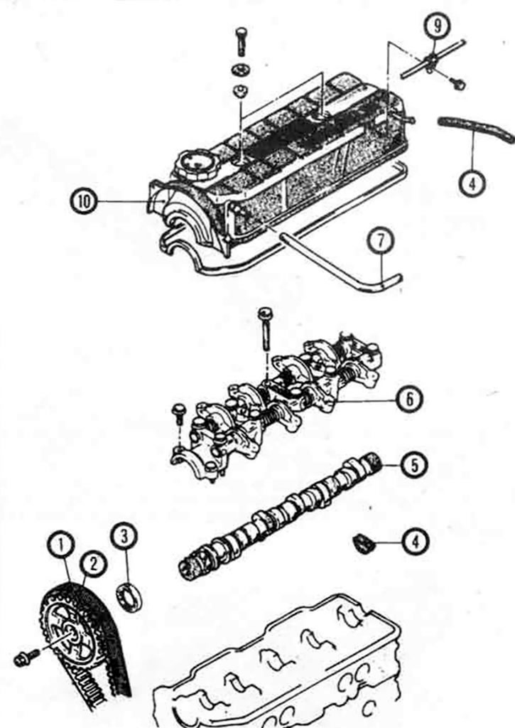
3.5b. Подетальный вид крышки клапанного механизма двигателя SOHC, клапанных коромысел и распредвала. 1. Зубчатый ремень; 2. Звездочка распредвала; 3. Манжета распредвала; 4. Полукруглое уплотнение; 5. Распредвал; 6. Клапанное коромысло в сборе; 7. Шланг PCV; 8. Шланг вентиляции; 9. Хомут троса; 10. Крышка клапанного механизма
3.5с. Подетальный вид крышки клапанного механизма двигателя DOHC, клапанных коромысел и распредвалов.1. Зубчатый ремень; 2. Звездочка распредвала (впускной); 3. Звездочка распредвала (выпускной); 4. Манжета распредвала; 5. Крышки подшипников распредвала; 6. Крышка подшипника распредвала; 7. Распредвал (впускной); 8. Распредвал (выпускной); 9. Крышка подшипника распредвала; 10. Крышка подшипника распредвала; 11. Полукруглое уплотнение; 12. Шланг вентиляции.
6. Полностью очистите крышку клапанов и удалите все следы старой прокладки.
7. Установите на крышку новую прокладку, закрепив ее на месте с помощью герметика. Установите крышку на двигатель и вставьте болты.
Примечание: Установите в головку цилиндров новое полукруглое уплотнение. На нижнюю поверхность уплотнения нанесите небольшое количество герметика, а после установки уплотнения - на его верхнюю поверхность.
8. Затяните болты с усилием, указанным в спецификации этой главы. Остальная часть процедуры выполняется в последовательности, обратной разборке. Закончив работу, запустите двигатель и проверьте отсутствие утечек.
