Оглавление: Двигатели SOHC ⤓ Двигатели DOHC ⤓
Внимание: Не пытайтесь вращать коленвал за болт звездочки распредвала и не вращайте коленвал против часовой стрелки. Кроме того, не вращайте коленвал после снятия зубчатого ремня.
1. Установите поршень первого цилиндра в ВМТ (см. Главу 2В).
2. Отсоедините провод от отрицательной клеммы аккумулятора.
3. Снимите воздушный фильтр и отсоедините шланги (см. Главу 4).
4. Затяните стояночный тормоз и заблокируйте колеса. Поднимите переднюю часть автомобиля и установите ее на подставки.
5. Снимите левую опору двигателя (см. раздел 17).
Примечание: Перед этим двигатель необходимо подпереть домкратом с деревянной проставкой, установленным под масляный поддон. Деревянная проставка предотвратит повреждение масляного поддона.
Двигатели SOHC
Снятие
6. Ослабьте болты крепления шкива водяного насоса и снимите приводные ремни (см. Главу 1).
7. Отвинтите и снимите шкив водяного насоса.
8. Отвинтите болты крепления верхнего кожуха зубчатого ремня и снимите кожух. Отвинтите болты крепления нижнего кожуха зубчатого ремня и снимите кожух.
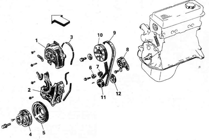
7.8а. Зубчатый ремень и связанные элементы двигателя 1,5л-подетальный вид. 1. Верхняя крышка, 2. Нижняя крышка, 3. Прокладка, 4. Шкив демпфера, 5. Шкив коленвала, 6. Проставка натяжителя, 7. Пружина натяжителя. 8. Натяжитель, 9. Зубчатый ремень, 10. Звездочка распредвала, 11. Звездочка коленвала, 12. Фланец звездочки коленвала.
7.8b. Зубчатый ремень и связанные элементы двигателей 1,8л Turbo, 2,0 л и 2,4 л-подетальный вид. 1. Болт, 2. Шкив коленвала, 3. Фланцевый болт, 4. Фланцевый болт, 5. Верхняя передняя крышка, 6. Прокладка, 7. Нижняя передняя крышка, 8. Монтажная крышка, распредвала, 9. Прокладка, 10. Зубчатый ремень, 11. Фланцевый болт, 12. Шайба, 13. Гайка, 14. Проставка, 15. Пружина натяжителя, 16. Натяжитель, 17. Проставка, 18. Болт, 19. Звездочка, 20. Гайка, 21. Звездочка масляного насоса, 22. Болт звездочки коленвала, 23. Шайба, 24. Звездочка коленвала, 25. Штифт пружины, 26. Фланец, 27. Болт, 28. Натяжитель В, 29. Ремень балансировочного вала, 30. Фланцевый болт, 31. Шайба, 32. Звездочка балансировочного вала, 33. Проставка, 34. Звездочка В коленвала, 35. Шпонка
7.8с. Верхняя крышка зубчатого ремня прикреплена тремя болтами (стрелки) (показан двигатель 2,0 л)
7.8d. Стрелками указано положение болтов нижней крышки зубчатого ремня (крышка для ясности снята) (показан двигатель 1,6л)
9. Если вы планируете использовать старый зубчатый ремень, нарисуйте на нем стрелку, обозначающую направление вращения (по часовой стрелке).
10. На 8-клапанных двигателях ослабьте регулировочный болт и переместите натяжитель зубчатого ремня до упора в сторону водяного насоса. Временно закрепите натяжитель, затянув болт. На 16-клаланных двигателях отвинтите и снимите натяжитель, затем ослабьте болт крепления рычага натяжителя и дайте рычагу опуститься вниз, уменьшая натяжение с ремня. Описание проверки автоматического натяжителя, используемого на 16-клапанных двигателях, приведено в пунктах 48 и 49 при описании двигателя DOHC.
7.10а. Ослабьте болт натяжителя ремня (стрелка) и отведите натяжитель в сторону водяного насоса (для ясности ремень снят) (показан двигатель 1,5 л)
7.10b. На некоторых двигателях для крепления натяжителя используется болт с внутренним шестигранным гнездом под ключ (стрелка) (показан двигатель 2,0 л)
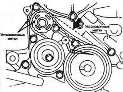
7.10с. Положение установочных меток на 16-клапанном двигателе SOHC. Обратите внимание на крепление натяжителя к двигателю с помощью двух болтов; плунжер натяжителя давит на рычаг, прижимая шкив натяжителя к ремню. 1. Установочные метки звездочки распредвала, 2. Установочные метки звездочки масляного насоса, 3. Звездочка коленвала, 4. Установочные метки звездочки коленвала, 5. Автоматический натяжитель
11. Снимите брызговик из-под передней части двигателя, затем вывинтите большой центральный болт из шкива коленвала.
Примечание: На некоторых моделях шкив коленвала закреплен четырьмя болтами. Они затянуты с очень большим моментом, поэтому для их ослабления намотайте на шкив ветошь и установите цепной ключ. Наденьте на болт торцевой ключ и вставьте удлинитель через отверстие во внутреннем фартуке. Поверните удлинитель с помощью монтировки.
12. Если вы не можете ослабить болт из-за того, что цепной ключ соскальзывает, то вы можете зафиксировать коленвал от вращения, попросив ассистента зажать маховик/приводной диск, вставив большую отвертку с плоским лезвием в зубья зубчатого венца. Для этого сначала вы должны снять крышку маховика/приводного диска (описано в процедуре снятия коробки передач в Главе 7).
13. Убедившись в том, что болты натяжителя ослаблены, снимите зубчатый ремень со звездочек.
14. Если вы намерены снять распредвал, отвинтите болт звездочки распредвала и снимите ее - при отвинчивании болта зафиксируйте звездочку от вращения, вставив большую отвертку в ее отверстие. Кроме того, снимите звездочку масляного насоса и проверьте состояние манжеты масляного насоса.
7.14. Зафиксируйте распредвал от вращения, вставив большую отвертку в отверстие звездочки - подложите что-нибудь под отвертку (стрелка), чтобы не повредить уплотняемую поверхность головки цилиндров (показан двигатель 1,5 л)
15. Если вы намерены заменить переднюю манжету коленвала, отвинтите четыре болта крепления шкива коленвала и снимите шкив; после этого снимите звездочку коленвала и фланец ремня, расположенный за звездочкой. При снятии фланца обратите внимание на то, какой стороной он установлен (скошенной стороной наружу).
16. На двигателях 1.8 л Turbo. 2,0 л и 2,4 л вывинтите пробку с левой стороны блока цилиндров и вставьте отвертку или длинный стержень для фиксации балансировочного вала. Отвертка или стержень должны иметь диаметр примерно 8 мм и длину 60 мм.
7.16. Использование отвертки для фиксации балансировочного вала от вращения во время отвинчивания масляного насоса.
17. Ослабьте болт крепления звездочки балансировочного вала.
18. Ослабьте натяжитель балансировочного вала и снимите ремень балансировочного вала (зубчатый ремень В).
Внимание. Не пытайтесь ослаблять болт звездочки, удерживая звездочку клещами.
Проверка
19. Вращая шкив натяжителя рукой и перемещая его из стороны в сторону проверьте плавность хода и отсутствие чрезмерного люфта. Осмотрите звездочки убедитесь в том, что они не изношены и не повреждены. При необходимости замените детали.
7.19. Вращая шкив натяжителя рукой, проверьте отсутствие заедания и чрезмерного люфта (показан двигатель 1,5 л)
20. Проверьте отсутствие трещин в зубчатом ремне, а также расслоения. износа, оторванных зубьев и загрязнения маслом.
7.20. Внимательно проверьте на ремне отсутствие показанных повреждений.
Установка
21. Установите на место звездочки зубчатого ремня если они были сняты. Обратите внимание на то, что звездочка распредвала помечена штырем (только двигатели 1.5 л) или кернером. Наденьте направляющий фланец ремня на коленвал перед установкой нижней звездочки - скошенной стороной фланца наружу. Звездочка коленвала имеет внутри две плоские лыски различного размера, которые соответствуют ответным поверхностям коленвала.
22. Совместите установочные метки, расположенные на распредвале, коленвале и звездочках масляного насоса с метками на головке цилиндров и передней части корпуса.
7.22а. Совместите штифт звездочки коленвала с неподвижной меткой на масляном насосе (стрелки) (показан двигатель 1,5 л)
7.22b. Совместите треугольную метку звездочки коленвала с неподвижной меткой на головке цилиндров (стрелки) - (показан двигатель 1,5л)
7.22с. Установочные метки звездочек распредвала и коленвала на двигателе 1,5 л. 1. Штифт, 2. Звездочка распредвала, 3. Ослабленная сторона ремня, 4. Натяжитель зубчатого ремня, 5. Пружина натяжителя, 6. Передняя часть корпуса, 7. Установочная метка (звездочка распредвала), 8. Установочная метка (головка цилиндров), 9. Натянутая сторона ремня, 10. Установочная метка (передний корпус), 11. Установочная метка (звездочка коленвала), 12. Звездочка коленвала
7.22d. Установочные метки звездочек распредвала и коленвала на двигателе 1,6 л. 1. Звездочка распредвала, 2. Установочная метка на крышке ГРМ, 3. Установочная метка звездочки, 4. Натянутая сторона ремня, 5. Пружина натяжителя, 6. Звездочка масляного насоса, 7. Звездочка коленвала, 8. Установочная метка, 9. Установочная метка на передней части корпуса, 10. Натяжитель зубчатого ремня, 11. Сбегающая сторона ремня
7.22е. Установочные метки звездочек распредвала и коленвала на двигателях 1,8 л Turbo, 2,0 л и 2,4 л. 1. Установочная метка (кернение на звездочке), 2. Установочная метка (на головке цилиндров), 3. Установочная метка (на передней части корпуса), 4. Установочная метка (прорезь на фланце), 5. Установочная метка (прорезь на звездочке)
Примечание: Разные двигатели имеют различные типы установочных меток. Некоторые установочные метки представляют собой утопленные или выпуклые стрелки, а некоторые - точечные метки. Прежде чем продолжать процедуру определите тип и положение установочных меток на всех звездочках. При совмещении меток звездочки масляного насоса важно, чтобы балансировочный вал (если он есть) был обращен утяжеленной частью вниз (совмещение меток возможно также при верхнем положении утяжеленной части; это приведет к повышенной вибрации двигателя). Перед установкой зубчатого ремня слегка поверните звездочку масляного насоса и убедитесь в том. что она имеет тенденцию возвращаться в исходное положение (возвращается в положение совмещения меток). Это означает, что звездочка правильно синхронизирована. Если звездочка имеет тенденцию поворачиваться в сторону вращения часовой стрелки после ее поворота, то вал неправильно синхронизирован. Если у вас есть сомнения относительно правильной установки балансировочного вала. вставьте отвертку через отверстие в боковой части головки цилиндров. Проверьте, чтобы отвертка входила примерно на 5 см в отверстие. при этом звездочка должна быть заблокирована; теперь вы можете быть уверены в том. что синхронизация выполнена правильно.
23. На двигателях 1,8 л Turbo, 2,0 л и 2,4 л установите зубчатый ремень В. Совместите установочные метки всех звездочек с метками на передней части корпуса.
7.23. Перед установкой зубчатого ремня В совместите метки, как показано на иллюстрации - двигатели 1,8 л Turbo, 2,0 л и 2,4 л. 1. Установочная метка (на звездочке), 2. Установочная метка (на передней части корпуса), 3. Установочная метка (на передней части корпуса), 4. Установочная метка (прорезь во фланце)
24. После установки зубчатого ремня В проверьте отсутствие слабины на натянутой стороне.
7.24. При начальной установке зубчатого ремня сторона натяжения должна быть туго натянута - кроме того, шкив натяжителя должен быть расположен как показано на иллюстрации. 1. Натяжитель "В", 2. Натянутая сторона, 3. Зубчатый ремень "В", 4. Центр шкива натяжителя, 5. Центр болта
25. Убедитесь в том, что центр звездочки натяжителя зубчатого ремня В расположен рядом с болтом крепления слева от него, при этом шкив должен быть обращен к передней части двигателя. Для натяжения ремня поднимите натяжитель вверх одним пальцем и затяните болт натяжителя и болт балансировочного вала с моментом, указанным в спецификации этой главы.
7.25а. Для натяжения ремня поверните натяжитель по часовой стрелке и вверх
Источник статьи доступен на MITSUBISHIMAN.ru
7.25b. Для проверки натяжения надавите на центральную часть ремня.
Примечание: Сильно нажмите на зубчатый ремень указательным пальцем. Ремень должен прогнуться на 5.0-7.0 мм.
26. На всех двигателях наденьте зубчатый ремень на звездочку коленвала. Поддерживая натяжение задней части ремня (со стороны поперечной перегородки) наденьте ремень на звездочку распредвала.
7.26. Во время установки ремня поддерживайте натяжение ветви ремня со стороны задней стенки моторного отсека (на фото справа) (показан двигатель 1,5л)
27. На 8-клапанных двигателях ослабьте болт фиксации натяжителя для передачи усилия пружины на ремень. Снова затяните болт. На 16-клапанных двигателях для установки натяжителя выполните пункты 53, 54 и 55 под заголовком "Двигатели DOHC".
28. Установите шкив коленвала, совместив установочный штифт с небольшим отверстием в шкиве. Установите на место болты шкива коленвала (болты шкива и центральный болт) и затяните их с моментом, указанным в спецификации этой главы. При затяжке болтов удерживайте коленвал от вращения одним из способов, описанных в пунктах 11 и 12.
29. Используя центральный болт шкива коленвала поверните коленвал по часовой стрелке на два полных оборота (720 градусов). Проверьте совмещение установочных меток. Если метки не совпадают должным образом, ослабьте натяжитель, снимите ремень со звездочки распредвала, совместите метки, установите ремень на место и проверьте совмещение меток еще раз.
7.29. Поскольку вы видите метки на звездочке распредвала под углом, то чтобы не допустить ошибки используйте указку
30. На двигателях 1,5 л проверьте натяжение зубчатого ремня, надавив на него большим пальцем. Ремень должен прогнуться на 1/4 ширины головки регулировочного болта. Если прогиб слишком мал или слишком велик, ослабьте натяжитель и отрегулируйте натяжение ремня. На двигателях 1,8 л Turbo, 2,0 л 8-клапанов, 2.4 л и 1,6 л прижмите ремень к кожуху и измерьте расстояние между зубчатым ремнем и линией С. Для двигателей 1,8 л turbo. 2,0 л 8-клапанов, 2,4 л расстояние должно составлять примерно 13 мм. Для двигателей 1,6л расстояние должно составлять 6 мм. На 16-клапанных двигателях для правильного натяжения зубчатого ремня выполните пункт 60 под заголовком "Двигатели DOHC".
7.30а. Ремень натянут правильно, если его можно прогнуть на 1/4 ширины головки регулировочного болта (только двигатель 1,5 л).
7.30b. Прижмите ремень к корпусу наружу и измерьте расстояние между ремнем и линией С, чтобы определить прогиб ремня
31. Затяните болты натяжителя с моментом, указанным в спецификации этой главы, начиная с регулировочного болта; затем затяните болт, который проходит через пружину натяжения.
32. Установите на место остальные детали в обратной последовательности. Обратите внимание на то. что болты кожуха зубчатого ремня имеют разную длину.
7.32. Установите болты кожуха зубчатого ремня в соответствующие отверстия (показан двигатель 1,5 л). Диаметр резьбы х длина, мм
33. Запустите двигатель, отрегулируйте момент зажигания (см. Главу 1) и проверьте автомобиль в движении.
Двигатели DOHC
Примечание. Двигатели DOHC Mitsubishi 4G32 и 4G61 аналогичны друг другу за исключением того, что двигатель, установленный в модели Mirage (4G61 - 1989 и 1990 годы) не имеет балансировочного вала.
Снятие
34. Выполните пункты 1-5 настоящего раздела Подоприте двигатель домкратом с деревянным бруском, установив его под масляный поддон двигателя.
35. Снимите хомут шланга нагнетания усилителя рулевого управления (если установлен) и хомут шланга системы кондиционирования (если установлена).
36. Снимите приводные ремни (см. Главу 1) и кронштейн шкива натяжителя.
37. Снимите шкив водяного насоса (см. Главу 3).
38. Снимите шкив коленвала (см. Главу 2В). Вывинтите болты шкива коленвала. Они могут быть очень туго затянуты, поэтому намотайте ветошь на шкив и установите цепной ключ. Наденьте торцевой ключ на болт(ы) и вставьте удлинитель через отверстие во внутреннем фартуке. Поверните удлинитель монтировкой. Если из-за проскальзывания цепного ключа на удается ослабить болты, то вы можете попросить ассистента заблокировать коленвал, вставив большую отвертку с плоским лезвием между зубьями зубчатого венца маховика/приводного диска. Для этого сначала вы должны снять кожух ма-ховика/приводного диска (описано в процедуре снятия коробки передач в Главе 7).
39. Отвинтите болты крепления верхнего и нижнего кожуха зубчатого ремня и снимите кожухи.
40. Снимите крышку клапанного механизма (см. раздел 3).
41. Снимите автоматический натяжитель.
7.41. Подетальный вид зубчатых ремней, звездочек и связанных элементов двигателя DOHC (показан двигатель 4G32). 1. Автоматический натяжитель, 2. Звездочка коленвала, 3. Вспомогательный шкив, 4. Звездочка масляного насоса, 5. Фланец, 6. Натяжитель В, 7. Зубчатый ремень В, 8. Звездочка В коленвала, 9. Шкив натяжителя, 10. Рычаг натяжителя, 11. Звездочка распредвала, 12. Зубчатый ремень, 13. Звездочка балансировочного вала, 14. Проставка, 15. Задняя правая крышка зубчатого ремня, 16. Задняя левая крышка зубчатого ремня (нижняя), 17. Задняя левая крышка зубчатого ремня (верхняя), 18. Опорный кронштейн двигателя
42. Нанесите на зубчатый ремень метку, соответствующую направлению его вращения. чтобы иметь возможность установить ремень в том же направлении в случае его повторного использования Снимите зубчатый ремень, рычаг натяжителя и вспомогательный шкив.
Примечание: Перед снятием зубчатого ремня проверьте совмещение установочных меток.
43. Снимите звездочки распредвала. С помощью разводного или рожкового гаечного ключа зафиксируйте распредвал за шестигранную секцию (между второй и третьей шейками) и извлеките болт(ы) распредвала.
44. Снимите звездочку масляного насоса. Извлеките пробку с певой стороны блока цилиндров двигателя и вставьте крестовую отвертку для фиксации вала от вращения. Отвинтите гайку звездочки масляного насоса, используя торцевой ключ и монтировку.
45. На двигателях DOHC 4G32 снимите зубчатый ремень В. Перед снятием ремня проверьте совмещение установочных меток.
7.45. Установочные метки на зубчатом ремне В двигателя DOHC.
Примечание. Установочные метки зубчатого ремня В расположены на двигателе и звездочках в различных местах на двигателях DOHC и SOHC, но процедура одинакова.
Проверка
46. Вращая шкив натяжителя рукой и перемещая его из стороны в сторону проверьте плавность хода и отсутствие чрезмерного люфта. Визуально убедитесь в отсутствии повреждений и износа звездочек. При необходимости замените детали. В случае утечки смазки замените шкив.
47. Проверьте отсутствие трещин в зубчатом ремне, а также расслоения, износа, оторванных зубьев и загрязнения маслом. При сомнительном состоянии ремней замените их.
48. Убедитесь в отсутствии утечки масла из автоматического натяжителя и явных следов повреждения корпуса. Кроме того проверьте состояние наконечника толкателя Измерьте величину выступания толкателя - он должен выступать из корпуса натяжителя на 12 мм.
49. Установите натяжитель а тиски с мягкими губками (или положите на губки ветошь, чтобы на повредить натяжитель). Если толкатель легко втягивается, замените натяжитель на новый. Натяжитель должен иметь достаточную упругость.
Внимание: При установке натяжителя в тиски обеспечьте его горизонтальное положение. Кроме того, наденьте шайбу на пробку, установленную в нижней части натяжителя, чтобы не допустить контакта тисков с пробкой.
Установка
50. Установите на место звездочки зубчатого ремня, если они были сняты. Затяните болты с усилием, указанным с спецификации этой главы.
7.50. Фаска проставки должна быть обращена внутрь.
Примечание: Проверьте установку проставки на звездочке коленвала. Сторона с фаской должна быть обращена к манжете.
51. Совместите установочные метки звездочек распредвала, коленвала и масляного насоса.
7.51. Найдите все установочные метки и проверьте правильность положения звездочек. 1. Звездочка выпускного распредвала, 2. Отверстия шпонки (должны быть в положении 12 часов), 3. Звездочка впускного распредвала, 4. Обработанная поверхность головки цилиндров, 5. Установочные метки, 6. Звездочка масляного насоса, 7. Звездочка коленвала
Примечание: Разные двигатели имеют различные типы установочных меток. Некоторые установочные метки представляют собой утопленные или выбитые засечки, или выпуклые стрелки. При совмещении меток звездочки масляного насоса важно, чтобы балансировочный вал был обращен утяжеленной частью вверх. Перед установкой зубчатого ремня слегка поверните звездочку масляного насоса рукой и убедитесь в том, что она имеет тенденцию к повороту по часовой стрелке (по направлению к двигателю) под действием утяжеленной части вала. Установочные метки должны перемещаться в том случае, если звездочки неправильно синхронизированы Если звездочки синхронизированы правильно, то вал будет иметь тенденцию к возвращению в исходное положение при его небольшом повороте, поскольку груз находится в нижней части вала.
52. На двигателях 4G32 DOHC установите зубчатый ремень В. Выполните пункты 23-25 настоящего раздела.
Примечание: Установочные метки на двигателях DOHC, оснащенных зубчатым ремнем В, расположены в других местах, но процедура аналогична. Кроме того, при регулировке натяжения зубчатого ремня В. его прогиб должен составлять 5,0-7,0 мм.
53. Подготовьте автоматический натяжитель к установке. Прежде всего, если толкатель полностью выдвинут, переустановите натяжитель. Зажмите натяжитель в тисках с мягкими губками и медленно утолите толкатель в корпус натяжителя. Наденьте на пробку, расположенную в нижней части натяжителя, толстую шайбу, чтобы не допустить контакта пробки с тисками. Утопите толкатель тисками до совмещения установочного отверстия толкателя с отверстием в корпусе натяжителя. Вставьте небольшой отрезок проволоки (например, распрямленную канцелярскую скрепку) в отверстия для фиксации натяжителя в утопленном положении.
54. Установите автоматический натяжитель на двигатель, не вынимая проволоку.
55. Установите шкив натяжителя на рычаг натяжителя. Поверните шкив натяжителя так, чтобы два небольших отверстия в ступице шкива натяжителя находились чуть слева от центрального болта. Затяните центральный болт усилием пальцев. Пока не извлекайте проволоку из натяжителя.
56. Поверните две звездочки распредвала так, чтобы обе шпонки были обращены вверх. Затем совместите установочные метки, обращенные друг к другу, с верхней поверхностью головки цилиндров.
Примечание: Когда выпускной распредвал не зафиксирован, он имеет тенденцию к повороту на один зуб против часовой стрелки. Это смещение необходимо принимать во внимание при установке зубчатого ремня на звездочки. Кроме того, звездочки распредвала идентичны и имеют по две установочные метки. При установке звездочки на выпускной распредвал используйте установочную метку, расположенную справа, если паз под шпонку расположен сверху. На звездочке впускного распредвала используйте установочную метку, расположенную слева, если паз под шпонку расположен сверху.
57. Совместите установочные метки звездочки коленвала и звездочки масляного насоса со стрелками.
58. Извлеките пробку из боковой части блока цилиндров и вставьте в отверстие крестовую отвертку или длинный штырь. Если инструмент входит в отверстие на 6 см или более, то установочные метки совмещены правильно Если инструмент не входит о отверстие более чем на 2.5 см, то необходимо переустановить звездочку масляного насоса После ее правильной установки вставьте отвертку в отверстие и не вынимайте ее до установки зубчатого ремня.
59. Установите зубчатый ремень в следующей последовательности:
- а) Установите зубчатый ремень на шкив натяжителя и звездочку коленвала и удерживайте его на шкиве натяжителя левой рукой.
- б) Правой рукой наденьте зубчатый ремень на звездочку масляного насоса.
- в) Установите ремень на вспомогательный шкив.
- г) Установите ремень на звездочку впускного распредвала.
- д) Поверните звездочку выпускного распредвала на один зуб для совмещения ее установочной метки с верхней поверхностью головки цилиндров Потянув ремень обеими руками, наденьте его на звездочку выпускного распредвала.
- е) Слегка поднимите шкив натяжителя, чтобы ремень не провисал, и временно затяните центральный болт.
60. Отрегулируйте натяжение зубчатого ремня следующим образом:
- а) Поверните коленвал на 1/4 оборота против часовой стрелки, затем - по часовой стрелки для установки поршня первого цилиндра в ВМТ
- б) Ослабьте центральный болт натяжителя и прикрепите к динамометрическому ключу специальное приспособление Mitsubishi №MD998752.
Примечание. Динамометрический ключ должен обеспечивать измерение момента с небольшим шагом в пределах от 0 до 41 Нм. Затяните натяжитель с моментом 32-35 Нм.
- в) Сохраняя натяжение натяжителя зубчатого ремня, затяните центральный болт с моментом, указанным в спецификации этой главы.
- г) Вверните специальное приспособление Mitsubishi №MD998738 (или аналогичное) в левый опорный кронштейн двигателя до его контакта с рычагом натяжителя. Продолжайте ввинчивать приспособление в шкив и. после снятия натяжения с натяжителя, извлеките проволоку. которая была в него вставлена. Другим способом является поджатие шкива натяжителя к передней части двигателя (не давите на ремень) до сжатия автоматического натяжителя, после чего извлеките проволоку.
- д) Снимите специальное приспособление.
- е) Поверните коленвал на два полных оборота и подождите 15 минут. Измерьте величину выступания плунжера натяжителя из корпуса (расстояние между рычагом натяжителя и корпусом автоматического натяжителя). Это расстояние должно составлять от 3.8 до 4,5 мм.
7.60. Чтобы затянуть натяжитель с нужным усилием используйте специальное приспособление (Mitsubishi изделие №MD998752)
61. Если выступание натяжителя не соответствует указанному, повторите процедуру регулировки ремня.
62. Установите на место кожухи зубчатого ремня.
63. Остальные операции выполняются в последовательности, обратной снятию.
