Примечание: На различных двигателях. рассмотренных в этом руководстве. применяются три различных типа масляных насосов. В двигателе 1.5 л применяется шестеренчатый узел, приводимый в движение от коленвала. Масляные насосы других двигателей приводятся в действие зубчатым ремнем.
Снятие
1. Снимите зубчатый ремень и звездочку коленвала (см. раздел 7).
2. Снимите масляный поддон (см. раздел 13).
3. Отвинтите маслозаборную трубку (фильтр) от нижней части корпуса насоса.
14.3. Маслозаборная трубка прикреплена к нижней части масляного насоса двумя болтами (стрелки) (показан двигатель 1,6 л)
4. Извлеките пробку редукционного клапана, пружину и плунжер.
14.4. Извлеките пробку регулятора давления редукционного клапана, пружину и плунжер - если плунжер (стрелка) залип в отверстии, извлеките его магнитом
5. Снимите натяжитель зубчатого ремня (см. раздел 7).
6. Отвинтите болты крепления масляного насоса к блоку цилиндров, обратив внимание на то. что они имеют разную длину. Осторожно отделите передний корпус от двигателя.
14.6а. Подетальный вид масляного насоса и связанных элементов - двигатель 1,5 л. 1. Масляный фильтр, 2. Сливная пробка, 3. Масляный поддон, 4. Маслозаборная трубка и фильтр, 5. Прокладка, 6. Пробка, 7. Прокладка, 8. Пружина регулятора давления, 9. Плунжер регулятора давления, 10. Передняя манжета коленвала, 11. Передний корпус, 12. Прокладка переднего корпуса, 13. Крышка масляного насоса, 14. Наружная шестерня, 15. Внутренняя шестерня
14.6b. Подетальный вид масляного насоса и связанных элементов - двигатель 1,6 л. 1. Манжета, 2. Крышка масляного насоса, 3. Ротор масляного насоса, 4. Прокладка, 5. Пробка, 6. Пружина редукционного клапана, 7. Плунжер редукционного клапана, 8. Передний корпус, 9. Прокладка переднего корпуса, 10. Манжета коленвала, 11. Масляный фильтр, 12. Прокладка, 13. Адаптер масляного фильтра, 14. Датчик давления масла
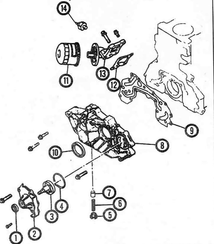
14.6с. Подетальный вид масляного насоса и связанных элементов -двигатели 2,0л (SOHC и DOHC), 2,0 л и 1,8 л Turbo. 1. Датчик давления масла, 2. Масляный фильтр, 3. Кронштейн масляного фильтра, 4. Плунжер редукционного клапана, 5. Пружина редукционного клапана, 6. Прокладка, 7. Пробка редукционного клапана, 8. Крышка пробки, 9. Болт, 10. Кольцевое уплотнение, 11. Манжета балансировочного вала, 12. Передняя манжета коленвала, 13. Прокладка, 14. Манжета, 15. Передний корпус, 16. Ведущая шестерня масляного насоса, 17. Ведомая шестерня масляного насоса, 18. Крышка масляного насоса, 19. Прокладка, 20. Правый балансировочный вал, 21. Левый балансировочный вал, 22. Передний подшипник балансировочного вала, 23. Задний подшипник правого балансировочного вала, 24. Задний подшипник левого балансировочного вала
7. Отсоедините крышку от задней части корпуса и извлеките внутреннюю и наружную шестерни масляного насоса.
14.7. На крышке масляного насосе двигателя 1,5 л отвинтите винты (стрелки) и снимите крышку масляного насоса
8. Извлеките манжету коленвала из переднего корпуса (см. раздел 8).
Проверка
9. Очистите все детали и удалите все следы материала старой прокладки с уплотняемых поверхностей. Осмотрите все детали и убедитесь в отсутствии износа, трещин и других повреждений. При необходимости замените детали.
10. Установите на место внутреннюю и наружную шестерни масляного насоса и измерьте зазоры. Сравните зазоры со значениями, указанными в спецификации этой главы. Измерьте свободную длину пружины регулятора давления и сравните со значением, указанным в спецификации этой главы. При необходимости замените детали. Заполните полость насоса техническим вазелином и установите крышку. Затяните болты с моментом, указанным в спецификации этой главы.
14.10а. Установите внутреннюю и наружную шестерни как показано - установочные метки (стрелки) должны быть в показанном положении (показан двигатель 1,5л)
14.10b. Измерение зазора между наружной шестерней и передним корпусом
14.10с. Измерьте зазор между внутренней шестерней и серповидным сектором
14.10d. Измерьте зазор между наружной шестерней и серповидным сектором
14.10е. Измерьте осевой люфт шестерни с помощью прямой линейки и плоского щупа
14.10f. На масляных насосах шестеренного типа, приводимых в движение от зубчатого ремня, вставьте шестерни, совместив установочные метки, обращенные наружу.
14.10g. На масляных насосах роторного типа установите ротор в корпус ротора метками вверх
Примечание. При установке шестерен или роторов проверьте совмещение установочных меток.
Установка
11. Установите на место переднюю манжету коленвала (см. раздел 8).
12. Установите на место элементы клапана регулятора давления и плотно затяните пробку.
13.Использую новую прокладку, установите насос на двигатель. Вставьте болты в отверстия в соответствии с их длиной. Затяните болты с моментом, указанным в спецификации этой главы.
14.13. Устанавливая насос на двигатель, обратите внимание на то, что коленвал имеет установочные плоскости лыски, на которые должна сесть внутренняя шестерня (если она есть)
14. Установите на место остальные детали в последовательности, обратной разборке.
15. Запейте масло, запустите двигатель и проверьте давление масла и герметичность системы смазки.
